1999 GM 6.5L V8 – Lubrication

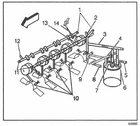
Legend
(1) Threaded Oil Gallery Plug
(2) Center Mount Turbocharger Oil Feed
(3) Clean Oil to Engine
(4) Oil Cooler Bypass Valve
(5) To Oil Cooler
(6) Oil Filter Bypass Valve
(7) Cup Plug With 0.06 inch Hole
(8) From Oil Cooler
(9) From Oil Pump
(10) Piston Oil Nozzle Galleries
(11) Main Oil Galleries
(12) Side Mount Turbocharger Oil Feed
(13) To Oil Pressure Sensor
(14) Push Rod Oil Passage To Valve Train

A gear-type oil pump with an enclosed pressure regulator pressurizes the lubrication oil distribution system. The oil pump uses a 552 kPa (80 psi) pressure regulator spring. Bronze bushings in the oil pump drive/driven gears, and a steel base plate, support the oil pump drive/driven gear shafts. The oil pump is driven by the oil pump drive, which, in turn, is driven by the camshaft. The oil pump draws unpressurized oil through a pickup screen and pipe that are submerged in oil inside the oil pan. The oil flows from the oil pump to an oil cooler, located by the radiator, that cools the oil. The oil cooler is protected from high operating pressure (normally seen only during cold ambient temperature conditions) by the oil cooler bypass valve. The oil cooler bypass valve is located in the engine block oil gallery to oil cooler passage (behind the oil filter or oil filter adapter assembly). The oil flows from the oil cooler or from the oil cooler bypass valve to a full-flow oil filter. The engine is protected from operating without lubrication (due to a clogged filter) by the oil filter bypass valve. The oil filter bypass valve is located in the engine block oil gallery to oil filter passage (behind the oil filter or oil filter adapter assembly).
The oil flows from the oil filter or the oil filter bypass valve to the main oil galleries. An oil pressure sensor is located on the left main oil gallery. The oil flows from the main oil galleries to the camshaft bearing bores. The channel in the camshaft bearing bores supplies the oil to the camshaft bearings and to the main bearing oil galleries. The oil flows from the upper main bearing shells to the crankshaft oil galleries.
The crankshaft oil galleries supply oil to the connecting rod bearings. The oil flows from the main oil galleries to the valve lifters. Oil flows from the valve lifters through hollow valve pushrods, to the valve rocker arms. The oil then flows from the main oil galleries to the turbocharger. Oil from the turbocharger drains back to the crankcase through a gallery in the block.

 

Leave a Reply

Your email address will not be published. Required fields are marked *