B5.9G, B5.9LPG, B Gas Plus, B LPG Plus, and B Gas International Engines – 100-002   Engine Diagrams

View Related Topic


Table of Contents

Engine Views

Engine Views

TOC

The following illustrations show the locations of the major external engine components, filters, and other service and maintenance points. Some external components will be at different locations for different engine models.

NOTE: The illustrations are
only a reference to show a typical engine.

SMALL | MEDIUM | LARGE
Left Side View – B5.9G

  1. Throttle position sensor
  2. Throttle body
  3. Intake manifold air temperature sensor
  4. Ignition coil pack
  5. Manifold absolute pressure sensor
  6. ¾-inch NPTF coolant (heater supply)
  7. Ignition control module
  8. Engine oil dipstick
  9. ECM data link connector
  10. Fuel control valve and engine coolant temperature sensor (located behind fuel control valve)
  11. Oil pressure port
  12. Regulator drain plug
  13. Secondary fuel pressure regulator
  14. Fuel shutoff solenoid
  15. Engine position sensor
  16. Fuel filter (obsolete)
  17. Jumper tube
  18. Gas mass flow sensor
  19. Wastegate control valve
  20. Mixer inlet pressure sensor
  21. Engine air inlet
  22. Air fuel mixer
  23. Idle control valve.

SMALL | MEDIUM | LARGE
Rear View – B5.9G

  1. Turbocharger exhaust outlet
  2. Heated oxygen sensor
  3. Flywheel housing
  4. Flywheel
  5. OEM wiring harness connection
  6. Rear engine lifting bracket.

SMALL | MEDIUM | LARGE
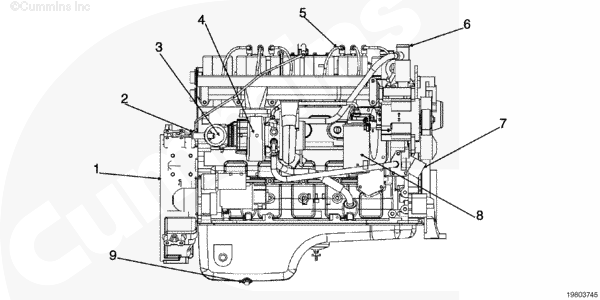
Right Side View – B5.9G

  1. Lubricating oil fill
  2. Coolant outlet and supply to coolant-cooled turbocharger bearing housing
  3. Lubricating oil filter
  4. Lubricating oil cooler
  5. ½-inch NPTF coolant port (heater return)
  6. Coolant inlet
  7. Coolant return from coolant-cooled turbocharger bearing housing
  8. Lubricating oil drain
  9. Provision for oil immersion heater
  10. Exhaust outlet
  11. Heated oxygen sensor
  12. Heat shield
  13. Spark plug wires.

SMALL | MEDIUM | LARGE
Front View – B5.9G

  1. Engine air inlet
  2. Fan pulley
  3. Front gear cover
  4. Accessory drive belt
  5. Vibration damper
  6. Coolant inlet
  7. Water pump
  8. Alternator
  9. Automatic belt tensioner
  10. Turbocharger air outlet
  11. Coolant outlet.

SMALL | MEDIUM | LARGE
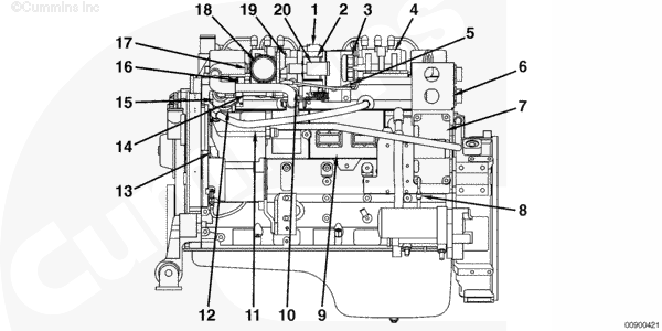
Left Side View – B5.9LPG

  1. Throttle position sensor
  2. Throttle body
  3. Intake manifold air temperature sensor
  4. Ignition coil pack
  5. Manifold absolute pressure sensor
  6. Coolant to evaporator unit
  7. Coolant return from the evaporator unit
  8. Fuel outlet
  9. Fuel shutoff solenoid
  10. Fuel inlet fitting
  11. Ignition control module (ICM)
  12. Evaporator unit
  13. ECM data link connector
  14. Fuel filter
  15. Fuel control valve and engine coolant temperature sensor (located behind fuel control valve)
  16. Jumper tube
  17. Gas mass flow sensor
  18. Fuel control housing
  19. Wastegate control valve
  20. Mixer inlet pressure sensor
  21. Engine air inlet
  22. Fuel mixer housing
  23. Idle control valve.

SMALL | MEDIUM | LARGE
Rear View – B5.9LPG

  1. Turbocharger exhaust outlet
  2. Heated oxygen sensor
  3. Flywheel housing
  4. Flywheel
  5. OEM wiring harness connection
  6. Rear engine lifting bracket.

SMALL | MEDIUM | LARGE
Right Side View – B5.9LPG

  1. Coolant return from evaporator unit
  2. Coolant to evaporator unit
  3. Lubricating oil fill
  4. Coolant outlet and supply for coolant-cooled turbocharger bearing housing and supply for heater
  5. Lubricating oil filter
  6. Lubricating oil cooler
  7. ½-inch NPTF coolant port (heater return)
  8. Coolant inlet
  9. Coolant return from coolant-cooled turbocharger bearing housing
  10. Lubricating oil drain
  11. Provision for oil immersion heater
  12. Exhaust outlet
  13. Heated oxygen sensor
  14. Heat shield
  15. Spark plug wires.

SMALL | MEDIUM | LARGE
Front View – B5.9LPG

  1. Engine air inlet
  2. Fan pulley
  3. Front gear cover
  4. Accessory drive belt
  5. Vibration damper
  6. Coolant inlet
  7. Water pump
  8. Alternator
  9. Automatic belt tensioner
  10. Turbocharger air outlet
  11. Coolant outlet.

SMALL | MEDIUM | LARGE
Closed-Crankcase Ventilation System (B5.9G, B5.9LPG, B Gas Plus, B LPG Plus)

  1. Inlet plumbing
  2. Closed-crankcase ventilation filter
  3. Oil drain plumbing
  4. Breather return plumbing.

SMALL | MEDIUM | LARGE
Right Side View – B Gas Plus and B LPG Plus

  1. Flywheel housing
  2. Heated oxygen sensor
  3. Exhaust adapter
  4. Turbocharger
  5. Spark plug wire
  6. Coolant outlet
  7. Coolant inlet
  8. Lubricating oil filter
  9. Lubricating oil drain.

SMALL | MEDIUM | LARGE
Rear View – B Gas Plus and B LPG Plus

  1. Ignition control module (ICM)
  2. Intake manifold pressure or temperature sensor
  3. OEM connectors (23-pin and 31-pin)
  4. Engine lifting bracket
  5. Heated oxygen sensor
  6. Flywheel housing
  7. Flywheel.

SMALL | MEDIUM | LARGE
Front View – B Gas Plus and B LPG Plus

  1. Alternator
  2. Ignition coil
  3. Exhaust back pressure sensor
  4. Fuel jumper tube
  5. Fuel filter
  6. Fuel filter oil drain
  7. Lubricating oil pan.

SMALL | MEDIUM | LARGE
Top View – B Gas Plus and B LPG Plus

  1. Exhaust adapter
  2. Heated oxygen sensor
  3. Spark plug wire
  4. Ignition coil
  5. Exhaust back pressure sensor
  6. Intake elbow
  7. Lubricating oil fill.

SMALL | MEDIUM | LARGE
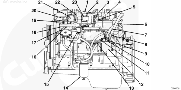
Left Side View – B Gas International

  1. Throttle position sensor
  2. Throttle body
  3. Intake manifold air temperature sensor
  4. Ignition coil pack
  5. Manifold absolute pressure sensor
  6. OEM wiring harness connections
  7. Ignition control module
  8. Engine oil dipstick
  9. Electronic control module (ECM)
  10. Fuel control valve and engine coolant temperature sensor (located behind fuel control valve)
  11. Secondary fuel pressure regulator
  12. Fuel shutoff solenoid
  13. Engine position sensor
  14. Jumper tube
  15. Gas mass flow sensor
  16. Wastegate control valve
  17. Mixer inlet pressure sensor
  18. Engine air inlet
  19. Fuel control housing (air and fuel mixer)
  20. Idle control valve.

SMALL | MEDIUM | LARGE
Rear View – B Gas International

  1. Turbocharger exhaust outlet
  2. Heated oxygen sensor
  3. Flywheel housing
  4. Flywheel
  5. Dipstick
  6. Rear engine lifting bracket.

SMALL | MEDIUM | LARGE
Right Side View – B Gas International

  1. Coolant supply to coolant-cooled turbocharger bearing housing
  2. Rocker cover
  3. Lubricating oil fill
  4. Coolant outlet
  5. Lubricating oil filter
  6. Lubricating oil cooler
  7. ½-inch NPTF coolant port (heater return)
  8. Coolant inlet
  9. Coolant return from coolant-cooled turbocharger bearing housing
  10. Lubricating oil drain
  11. Provision for oil immersion heater
  12. Exhaust outlet
  13. Heated oxygen sensor
  14. Heat shield
  15. Spark plug wires.

SMALL | MEDIUM | LARGE
Front View – B Gas International

  1. Engine air inlet
  2. Fan pulley
  3. Front gear cover
  4. Accessory drive belt
  5. Vibration damper
  6. Coolant inlet
  7. Water pump
  8. Alternator
  9. Automatic belt tensioner
  10. Turbocharger air outlet
  11. Coolant outlet.

Last Modified:  29-Oct-2008