N14 Base Engine Troubleshooting and Repair Manual – 100-002   Engine Diagrams

Table of Contents

Engine Views

Engine Views

TOC

The illustrations that follow show the locations of the major external engine components, the filters, and other service and maintenance points. Some external components will be at different locations for different engine models.

SMALL | MEDIUM | LARGE
PT®-STC Industrial Engines (Fuel Pump Side)

  1. PT® fuel pump
  2. Aftercooler
  3. STC valve
  4. Lubricating oil pump
  5. Fuel filter.

SMALL | MEDIUM | LARGE
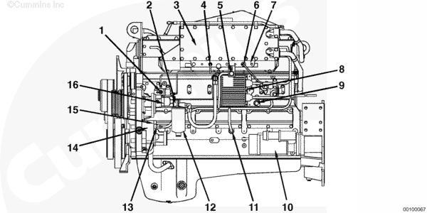
PT®-STC Industrial Engines (Exhaust Side)

  1. Oil cooler
  2. Turbocharger
  3. Engine water outlet (to radiator)
  4. Thermostat housing
  5. Exhaust manifold
  6. Remote filter bypass supply
  7. Engine water inlet (from radiator)
  8. Coolant filter
  9. Combination filter
  10. Oil drain
  11. Starting motor
  12. Dipstick
  13. Piston cooling nozzle.

SMALL | MEDIUM | LARGE
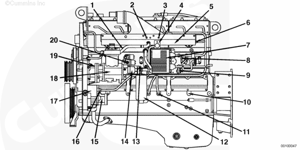
CENTRY™ Engines (Fuel Pump Side)

  1. Fuel shutoff valve
  2. Air-fuel control sensing line
  3. 5-amp fuses
  4. System ground connector
  5. OEM C5 and C6 connector bracket
  6. Engine speed sensor
  7. C5 connector
  8. C6 connector
  9. Rail pressure sensor and fuel block
  10. Hydromechanical STC actuator
  11. Engine-side datalink connector
  12. Engine harness
  13. Fuel pump
  14. ECM
  15. Electronic fuel control valve.

SMALL | MEDIUM | LARGE
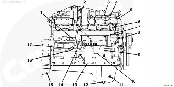
CELECT™ Plus – Jacket Water Aftercooled Engines (Fuel Pump Side)

  1. Compuchek® adapter fuel rail pressure
  2. Compuchek® adapter fuel inlet pressure
  3. Aftercooler
  4. Intake air temperature sensor
  5. Service tool datalink (engine mounted)
  6. Intake manifold pressure sensor
  7. Intake manifold
  8. ECM
  9. Fuel inlet fitting
  10. Starter motor
  11. Lubricating oil pressure sensor
  12. Fuel filter
  13. Lubricating oil temperature sensor
  14. Lubricating oil pump
  15. Engine position sensor (behind lubricating oil pump)
  16. Fuel gear pump.

SMALL | MEDIUM | LARGE
CELECT™ Plus – Jacket Water Aftercooled Engines (Exhaust Side)

  1. Compuchek® adapter block pressure
  2. Turbocharger
  3. Coolant temperature sensor
  4. Compuchek® adapter coolant temperature
  5. Thermostat housing
  6. Exhaust manifold
  7. Oil cooler
  8. Compuchek® adapter water pump inlet pressure
  9. Engine water inlet (from radiator)
  10. Coolant filter
  11. Compuchek® adapter oil temperature
  12. Oil drain
  13. Combination filter
  14. Dipstick
  15. Compuchek® adapter flywheel ring gear sensor
  16. Compuchek® adapter oil rifle pressure
  17. Turbocharger oil supply check valve.

SMALL | MEDIUM | LARGE
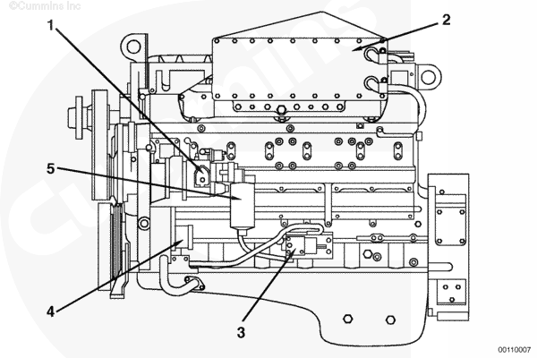
CELECT™ Plus – Low Temperature Aftercooled Engines (Fuel Pump Side)

  1. Aftercooler
  2. ECM
  3. Fuel filter
  4. Engine position sensor (behind lubricating oil pump
  5. Fuel gear pump.

SMALL | MEDIUM | LARGE
CELECT™ Plus – Low Temperature Aftercooled Engines (Exhaust Side)

  1. Turbocharger
  2. Engine water (aftercooler) outlet to front radiator
  3. Engine water (jacket water) outlet to rear radiator
  4. Thermostat housing
  5. Exhaust manifold
  6. Remote filter bypass supply
  7. Engine water inlet
  8. Coolant filter
  9. Combination filter
  10. Dipstick
  11. Oil drain
  12. Starting motor
  13. Piston cooling nozzle
  14. Lubricating oil cooler.

SMALL | MEDIUM | LARGE
CELECT™ Plus – Charge Air Cooled Engines (Fuel Pump Side)

  1. Compressor air discharge
  2. Intake air temperature sensor
  3. Compuchek™ adapter intake manifold pressure (from charge air cooler)
  4. Engine-mounted service tool datalink
  5. Intake manifold
  6. Intake manifold pressure sensor
  7. ECM
  8. Ambient air pressure sensor (when required)
  9. Fuel inlet fitting
  10. Compuchek® adapter (oil rifle pressure)
  11. Lubricating oil pressure sensor
  12. Fuel filter
  13. Compuchek® adapter fuel inlet pressure
  14. Fuel gear pump
  15. Lubricating oil pump
  16. Lubricating oil temperature sensor
  17. Air compressor
  18. Engine piston sensor (behind lubricating oil pump)
  19. Compuchek® adapter oil temperature
  20. Fuel temperature sensor.

SMALL | MEDIUM | LARGE
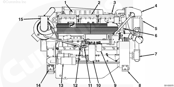
CELECT™ Plus – Charge Air Cooled Engines (Exhaust Side)

  1. Compuchek® adapter cycle event marker (behind breather tube)
  2. Compuchek® adapter coolant temperature
  3. Coolant temperature sensor
  4. Engine water outlet (to radiator)
  5. Thermostat housing
  6. Compuchek® adapter water pump inlet pressure
  7. Oil cooler
  8. Remote filter bypass supply
  9. Engine water outlet (from radiator)
  10. Coolant filter
  11. Turbocharger oil supply check valve (behind turbocharger)
  12. Combination full-flow/bypass lubricating oil filter
  13. Oil drain
  14. Compuchek® Adapter flywheel ring gear sensor
  15. Dipstick
  16. Piston cooling nozzle
  17. Compuchek® adapter block pressure
  18. Turbocharger
  19. Exhaust manifold.

SMALL | MEDIUM | LARGE
Marine Engines (Port Side)

  1. Coolant fill
  2. Aftercooler
  3. Air inlet piping
  4. Air cleaner
  5. STC valve
  6. Rear engine mount
  7. Fuel filter
  8. Throttle lever
  9. Front engine mount
  10. Sea water pump inlet
  11. Fuel pump.

SMALL | MEDIUM | LARGE
Marine Engines (Starboard Side)

  1. Aftercooler
  2. Valve cover
  3. Alternate oil fill
  4. Coolant expansion tank
  5. Heat exchanger
  6. Thermostat housing
  7. Sea water pump
  8. Front engine mount
  9. Water filter (coolant)
  10. Lubricating oil filter
  11. Oil filter
  12. Dipstick
  13. Starter
  14. Rear engine mount
  15. Exhaust elbow.

Last Modified:  01-Mar-2005