Flow Diagram
|
TOC |
|
- Air governor signal
- Air
- Lubricant
- Coolant.
|
|
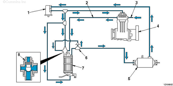
| Holset E-Type System with Air Dryer |
- Governor
- Discharge
- Intake
- Air compressor
- Reservoir (wet tank)
- Check valve
- Air dryer
- Econ valve.
|
|
| Holset E-Type System without Air Dryer |
- Governor
- From reservoir
- E-type unloader
- Intake
- Reservoir (wet tank)
- Compressor
- Discharge
- From unloader.
|
Last Modified: 08-Feb-2005
Published by Jack
Hello, I'm Jack, a diesel engine fan and a blogger. I write about how to fix and improve diesel engines, from cars to trucks to generators. I also review the newest models and innovations in the diesel market. If you are interested in learning more about diesel engines, check out my blog and leave your feedback.
View all posts by Jack