Electronic Control System Signature, ISX and QSX15 Engines – 019-004   Barometric Air Pressure Sensor

Table of Contents

Initial Check
Remove
Install

Initial Check

TOC

Connect an electronic service tool to the vehicle datalink.

Turn the keyswitch to the ON position.

Monitor the ambient air pressure. If an ambient air pressure is less than or equal to 523 mm Hg [20.6 in Hg] and the present elevation is less than 10,000 feet, replace the ambient air pressure sensor.

SMALL | MEDIUM | LARGE

Remove

TOC

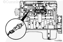
Lift up on the tab and pull the connector from the sensor.

Remove the mounting capscrews and sensor from the engine.

SMALL | MEDIUM | LARGE
   

Install

TOC

Install a new sensor on the engine. Tighten the capscrews.

Torque Value:  14  n.m  [124 in-lb]

Push the connectors together until they lock.

SMALL | MEDIUM | LARGE
Last Modified:  21-Jan-2003