Electronic Control System Signature, ISX and QSX15 Engines – 019-159   Intake Manifold Pressure/Temperature Sensor

Table of Contents

Remove
Install

Remove

TOC

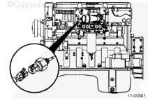
Lift up on the locking tab and pull the electrical connectors apart.

SMALL | MEDIUM | LARGE


Remove the sensor from the engine.

SMALL | MEDIUM | LARGE
   

Install

TOC

Make sure the new sensor has an o-ring.

Install the new sensor into the engine. Tighten the sensor.

Torque Value:  14  n.m  [124 in-lb]

SMALL | MEDIUM | LARGE
   


Push the connectors together until they lock. An audible click will be heard as the connector locks in place.

SMALL | MEDIUM | LARGE
Last Modified:  21-Jan-2003