Electronic Control System Signature, ISX and QSX15 Engines – 100-002   Engine Diagrams

Table of Contents

Engine Views

Engine Views

TOC

SMALL | MEDIUM | LARGE
Front View

  1. Accessory drive belt
  2. Water pump and fan drive belt
  3. Oil fill
  4. Water pump and fan drive belt tensioner
  5. Accessory drive belt tensioner.

SMALL | MEDIUM | LARGE
Intake Side

  1. Intake manifold pressure and temperature sensor
  2. Fuel drain
  3. Fuel inlet
  4. Fuel shutoff valve
  5. Oil pressure and temperature sensor
  6. ECM OEM harness port
  7. Electronic control module (ECM)
  8. ECM actuator harness port
  9. ECM sensor harness port.

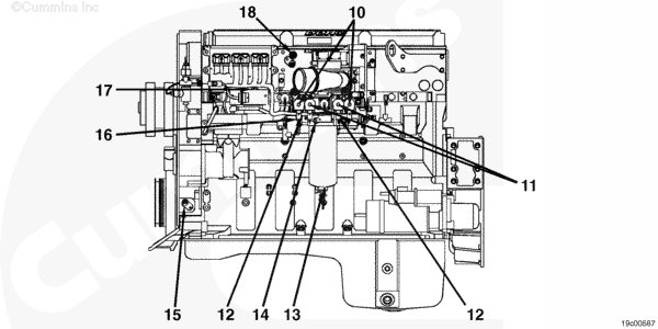
SMALL | MEDIUM | LARGE
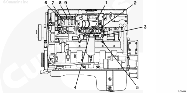
Intake Side

  1. Fueling actuators
  2. Timing actuators
  3. Front and rear rail pressure sensor
  4. Water-in-fuel sensor
  5. Fuel inlet restriction sensor (1999 models)
  6. Crankshaft position sensor
  7. Fuel pressure sensor
  8. Ambient air pressure sensor
  9. Camshaft position sensor.

SMALL | MEDIUM | LARGE
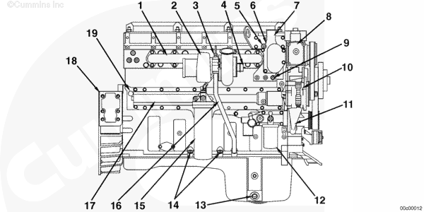
Exhaust Side

  1. Exhaust manifold
  2. Turbocharger
  3. Oil inlet to turbocharger
  4. Wastegate actuator
  5. Thermostat housing vent
  6. Thermostat housing
  7. Engine coolant outlet
  8. Freon compressor
  9. Coolant temperature sensor
  10. Alternator
  11. Water pump
  12. Coolant filter
  13. Engine oil drain
  14. Dipstick receptacle
  15. Combination full-flow and bypass lubricating oil filter
  16. Turbocharger oil drain
  17. Oil cooler
  18. Flywheel housing
  19. Engine serial number.

SMALL | MEDIUM | LARGE
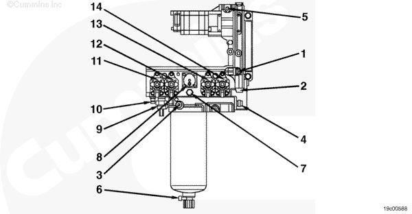
1998 Model Fuel Delivery Housing (front view)

  1. Priming bypass valve (internal)
  2. 320 psi pressure regulator
  3. 36-mc filter screen
  4. Fuel inlet
  5. Quick disconnect pressure tap (suction side)
  6. WIF sensor
  7. 250 psi pressure regulator
  8. Fuel shutoff valve
  9. Quick disconnect pressure tap (pressure side)
  10. Fuel pressure sensor
  11. Front rail actuator
  12. Front timing actuator
  13. Rear timing actuator
  14. Rear rail actuator.

SMALL | MEDIUM | LARGE
1998 Model Fuel Delivery Housing (rear view)

  1. Fuel pump assembly
  2. Front rail pressure sensor
  3. Fuel filter
  4. Rear rail pressure sensor.

SMALL | MEDIUM | LARGE
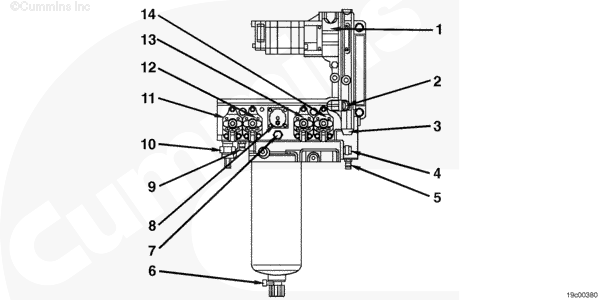
1999 Model Fuel Delivery Housing (front view)

  1. 320 psi pressure regulator
  2. 36-mc filter screen
  3. Fuel inlet restriction sensor
  4. Fuel inlet
  5. Quick disconnect pressure tap (suction side)
  6. Water-in-fuel sensor
  7. 250 psi pressure regulator
  8. Fuel shutoff valve
  9. Fuel pressure sensor
  10. Quick disconnect pressure tap (pressure side)
  11. Front rail actuator
  12. Front timing actuator
  13. Rear timing actuator
  14. Rear rail actuator.

SMALL | MEDIUM | LARGE
1999 Model Fuel Delivery Housing (rear view)

  1. Fuel pump assembly
  2. Front rail pressure sensor
  3. Fuel filter
  4. Rear rail pressure sensor.

Last Modified:  02-Jul-2003