ISM, ISMe, and QSM11 – 006-999   Injectors and Fuel Lines – Overview

Theory of Operation

TOC

Hydromechanical Subsystem

The 2002 ISM engine utilizes a different injector than the previous ISM engine, with flow characteristic changes and improved reliability. The injector is specially designed to maximize the benefit of cooled EGR and lower the emission levels.


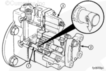
The fuel pump is located in the same location as a CELECT™ Plus fuel pump.

 
SMALL | MEDIUM | LARGE


The fuel pump is a gear type of pump. The assembly includes a pressure regulator, pulsation damper, and solenoid valve.

  1. Pressure regulator
  2. Pulsation damper
  3. Solenoid valve.
 
SMALL | MEDIUM | LARGE
   


The ECM mounts on a cooling plate. During engine operation, fuel circulates through the cooling plate to absorb heat generated by the ECM.

 
SMALL | MEDIUM | LARGE
   


On CM876 engines, fuel flows from the fuel rifle at the rear of the engine to the aftertreatment shutoff valve. It then flows to the aftertreatment fuel injector.

When fuel is not flowing to the injector, fuel remaining between the aftertreatment shutoff valve number 1 and aftertreatment fuel injector passes through the aftertreatment shutoff valve number 2 and goes to drain.

 
SMALL | MEDIUM | LARGE
   


The injector assembly includes a solenoid valve, which controls the end of the fuel metering and the beginning of injection. The solenoid valve is normally open. An electronic signal from the ECM closes the valve as required.

 
SMALL | MEDIUM | LARGE
   


The fuel system uses the camshaft to create adequate pressure for injection.

 
SMALL | MEDIUM | LARGE
   


A cutaway view of the electronically controlled injector with the internal components identified is illustrated.

 
SMALL | MEDIUM | LARGE
   

Injection Cycle


At the start of metering, the metering plunger and the timing plunger are at the lower limits of their travel. The injector control valve is closed.

 
SMALL | MEDIUM | LARGE
   


As the camshaft rotates, the timing plunger return spring forces the timing plunger upward.

Fuel flows past the metering check ball and into the metering chamber. This flow continues as long as the timing plunger is moving upward, and the injector control valve is closed.

Supply pressure, acting on the bottom of the metering piston, forces it to maintain contact with the timing plunger.

 
SMALL | MEDIUM | LARGE
   


The ECM determines the end of metering by signaling the injector control valve to open.

 
SMALL | MEDIUM | LARGE
   


Fuel at supply pressure then flows into the timing chamber, thereby stopping metering piston travel.

During this time, the bias spring makes sure the metering plunger remains stationary; that it does not drift upward as the timing plunger moves upward. This same force against the metering plunger results in enough fuel pressure below the piston to keep the metering check ball seated.

A precisely metered quantity of fuel is now trapped in the metering chamber. This determines the quantity of fuel that will be injected.

 
SMALL | MEDIUM | LARGE
   


The timing plunger continues to move upward, and the timing chamber fills with fuel.

 
SMALL | MEDIUM | LARGE
   


The timing plunger begins its downward travel. Initially, the injector control valve remains open, allowing fuel to flow from the timing chamber, through the injector control valve, and into the fuel supply passage.

 
SMALL | MEDIUM | LARGE
   


At the appropriate time, as determined by the ECM, the injector control valve closes, trapping fuel in the timing chamber. This trapped fuel creates a solid hydraulic link between the timing plunger and the metering plunger.

 
SMALL | MEDIUM | LARGE
   


As a result, the metering plunger is forced to move downward with the timing plunger.

Because the fuel is trapped, the downward force on the timing plunger is transferred to the metering plunger, thereby increasing pressure in the metering chamber.

 
SMALL | MEDIUM | LARGE
   


When this pressure reaches approximately 34,474 kPa [5000 psi], the needle valve begins to be forced upward.

Continued downward movement of the timing plunger and metering plunger results in steadily increasing fuel pressure. The result is that fuel is forced past the needle valve, through the spray holes, and into the combustion chamber.

 
SMALL | MEDIUM | LARGE
   


Injection continues until the spill passage of the metering plunger passes the metering spill port.

Metering chamber pressure drops rapidly, allowing the needle valve to close abruptly. This action results in a positive end of injection. The positive end of injection prevents dribble and results in cleaner burning.

It is also at this point that the pressure relief valve “pops off”, thereby reducing the effects of the high-pressure “spike” that occurs at the time of the metering spill.

 
SMALL | MEDIUM | LARGE
   


Immediately after the metering spill port is opened, the upper edge of the metering plunger passes the timing spill port.

 
SMALL | MEDIUM | LARGE
   


This action allows the fuel in the timing chamber to be spilled back to the fuel drain as the timing plunger completes its downward movement.

This completes the injection cycle.

 
SMALL | MEDIUM | LARGE


SMALL | MEDIUM | LARGE
Injector Drivetrain

  1. Injector
  2. Injector link
  3. Rocker lever
  4. Push rod
  5. Cam follower
  6. Camshaft.

Last Modified:  17-Nov-2008