ISM, ISMe, and QSM11 – 100-002   Engine Diagrams

Engine Views

TOC

The following illustrations contain information about engine components, filter locations, drain points, and access locations for instrumentation and engine controls. The information and configuration of components shown in these illustrations are of a general nature. Some component locations will vary, depending on applications and installations.

Automotive with CM570

SMALL | MEDIUM | LARGE
Left View – CM570

  1. ECM cooling plate
  2. ECM
  3. Compressor air inlet
  4. Blowby measurement
  5. Ambient air pressure sensor
  6. Fuel return to tank
  7. Engine dataplate
  8. Engine serial number
  9. Starter
  10. Flywheel ring gear sensor
  11. Side oil drain
  12. Centinel™ (optional)
  13. Fuel inlet to pump
  14. Fuel filter
  15. Rail pressure
  16. Power steering pump mounting location
  17. Oil pressure and temperature sensor
  18. Engine position sensor
  19. Refrigerant compressor mounting location.

SMALL | MEDIUM | LARGE
Right View – CM570

  1. Ether hookup
  2. Before charge air cooler
  3. Boost temperature sensor
  4. Intake manifold pressure sensor
  5. After charge air cooler (intake manifold)
  6. Shutter stat
  7. Engine coolant vent
  8. Shutter stat port
  9. Fan sensor
  10. Coolant temperature sensor
  11. Heater return
  12. Coolant inlet pressure
  13. Makeup line from radiator
  14. Water pump pressure
  15. Coolant inlet
  16. Oil drain
  17. Oil pan sump heater
  18. Filter outlet pressure
  19. Engine brake oil supply
  20. Filter inlet pressure port
  21. Block coolant pressure port
  22. Coolant heater port
  23. Heater supply port
  24. Coolant temperature pickup port
  25. Wastegate controller.

With CM870

SMALL | MEDIUM | LARGE
Front View – CM870

  1. Engine coolant outlet
  2. Refrigerant compressor or alternator mounting location
  3. Accessory drive belt
  4. Accessory drive belt tensioner
  5. Accessory drive pulley
  6. Alternator drive belt
  7. Fan hub
  8. Vibration damper
  9. Fan belt tensioner
  10. Alternator.

SMALL | MEDIUM | LARGE
Left View – CM870

  1. ECM dataplate
  2. ECM
  3. Blowby tube
  4. Engine dataplate
  5. Fuel control module dataplate
  6. Engine serial number
  7. Fuel control module cooling plate
  8. Engine oil temperature sensor (behind fuel control module cooling plate)
  9. Starter
  10. Fuel control module
  11. Centinel™ valve (optional)
  12. Fuel filter
  13. Fuel shutoff valve
  14. Fuel pump
  15. Air compressor
  16. Air supply to air compressor
  17. Engine oil pressure sensor
  18. Air compressor coolant supply
  19. Engine position sensor (not visible)
  20. Air compressor coolant return.

SMALL | MEDIUM | LARGE
Rear View – CM870

  1. Flywheel housing
  2. Lubricating oil drain
  3. Lubricating oil pan.

SMALL | MEDIUM | LARGE
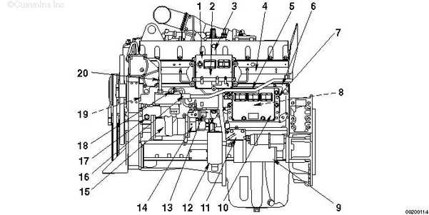
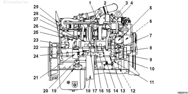
Right – ISM CM870 Automotive

  1. Variable geometry turbocharger coolant return line
  2. Water manifold
  3. Cylinder head vent line (not visible)
  4. Water manifold return tube
  5. Thermostat housing
  6. Coolant temperature sensor (not visible)
  7. Water pump
  8. Water pump pressure
  9. Coolant inlet pressure
  10. Makeup line from radiator
  11. Coolant inlet
  12. Lubricating oil pump (not visible)
  13. Heater return
  14. Variable geometry turbocharger coolant supply line
  15. Turbocharger oil drain tube
  16. Turbocharger oil supply line
  17. Lubricating oil filter out pressure
  18. Lubricating oil filter
  19. Lubricating oil fill/dipstick
  20. Engine brake oil supply line
  21. Coolant filter
  22. Block coolant pressure
  23. Coolant heater
  24. Lubricating oil filter in pressure (lubricating pump out pressure)
  25. Heater supply
  26. Coolant temperature pick-up
  27. Lubricating oil cooler
  28. Exhaust manifold
  29. Air compressor air inlet tube.

SMALL | MEDIUM | LARGE
Top – ISM CM870 Automotive

  1. Intake manifold pressure sensor
  2. EGR differential pressure sensor
  3. Exhaust gas pressure sensor
  4. Intake manifold air temperature sensor
  5. EGR temperature sensor.

SMALL | MEDIUM | LARGE
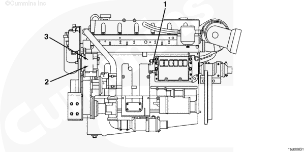
ISM CM870 Automotive – EGR System

  1. Air intake connection
  2. EGR differential pressure sensor tubes
  3. EGR mixer
  4. Exhaust gas pressure sensor tube
  5. EGR valve coolant return tube
  6. EGR valve
  7. EGR valve coolant supply tube
  8. EGR cooler coolant supply tube
  9. EGR cooler coolant vent tubes
  10. EGR cooler coolant return tube
  11. EGR cooler
  12. EGR cooler connection tube.

SMALL | MEDIUM | LARGE
ISM CM870 Automotive – Variable Geometry Turbocharger Control System

  1. Compressed air from OEM air tank
  2. Turbocharger control shutoff valve filter head
  3. Turbocharger control shutoff valve
  4. Compressed air from turbocharger control shutoff valve filter head
  5. Turbocharger control valve
  6. Compressed air from turbocharger control valve
  7. Turbocharger compressor inlet air temperature sensor
  8. Turbocharger actuator
  9. Turbocharger speed sensor
  10. Turbocharger control shutoff valve air filter.

Automotive with CM876

SMALL | MEDIUM | LARGE
Front – ISM CM876 Automotive

  1. Refrigerant compressor
  2. Accessory drive belt tensioner
  3. Accessory drive pulley
  4. Alternator / fan drive belt
  5. Fan hub
  6. Vibration damper
  7. Fan belt tensioner
  8. Alternator
  9. Variable geometry turbocharger actuator
  10. Engine coolant outlet.

SMALL | MEDIUM | LARGE
Left – ISM CM876 Automotive

  1. Open crankcase ventilation filter
  2. Blowby tube
  3. ECM
  4. Flywheel housing
  5. Fuel filter
  6. Fuel shutoff valve
  7. Fuel pump
  8. Air compressor
  9. Oil pressure sensor
  10. Engine position sensors.

SMALL | MEDIUM | LARGE
Rear – ISM CM876

  1. EGR valve
  2. Variable geometry turbocharger electronic actuator
  3. Variable geometry turbocharger
  4. Aftertreatment injector assembly
  5. Aftertreatment injector manifold
  6. Aftertreatment fuel pressure sensor
  7. Aftertreatment fuel shutoff valve
  8. Open crankcase ventilation filter.

SMALL | MEDIUM | LARGE
Right – ISM CM876

  1. EGR valve
  2. Aftertreatment fuel injector adapter
  3. Differential pressure sensor tube
  4. EGR cooler
  5. Air intake / EGR mixer
  6. Turbocharger coolant return tube
  7. Water manifold coolant return tube
  8. Water pump
  9. EGR cooler coolant supply tube
  10. Lubricating oil filter
  11. Lubricating oil cooler
  12. Lubricating oil dipstick
  13. Coolant filter
  14. Variable geometry turbocharger
  15. Exhaust manifold.

Industrial and Generator Drive

SMALL | MEDIUM | LARGE
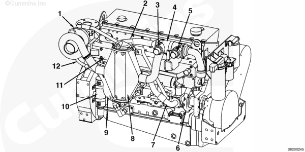
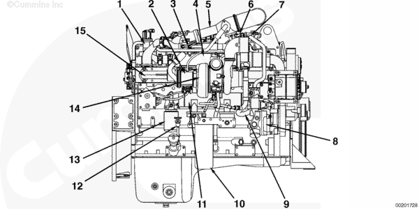
Left – QSM11 Industrial and Generator Drive

  1. ECM cooling plate
  2. ECM
  3. Compressor air inlet
  4. Blowby measurement
  5. Ambient air pressure sensor
  6. Fuel return to tank
  7. Engine dataplate
  8. Engine serial number
  9. Starter
  10. Flywheel ring gear speed sensor
  11. Side oil drain
  12. Centinel™ (optional)
  13. Fuel inlet to pump
  14. Fuel filter
  15. Rail pressure
  16. Power steering pump mounting location
  17. Oil pressure and temperature sensor
  18. Engine position sensor
  19. Freon compressor mounting location.
  20. Compressor air discharge (not visible).

SMALL | MEDIUM | LARGE
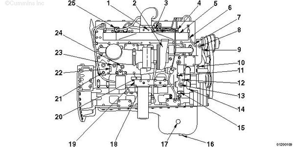
Right – QSM11 Industrial and Generator Drive

  1. Ether hookup
  2. Before charge air cooler
  3. Boost temperature sensor
  4. Intake manifold pressure sensor
  5. After charge air cooler (intake manifold)
  6. Shutter stat
  7. Engine vent coolant
  8. Shutter stat
  9. Fan sensor
  10. Coolant temperature sensor
  11. Heater return
  12. Coolant inlet pressure
  13. Makeup line from radiator
  14. Water pump pressure
  15. Coolant inlet
  16. Oil drain
  17. Oil pan pump heater
  18. Filter outlet pressure
  19. Engine brake oil supply
  20. Filter inlet pressure
  21. Block coolant pressure
  22. Coolant heater
  23. Heater supply
  24. Coolant temperature pickup
  25. Wastegate controller.

Marine Applications

SMALL | MEDIUM | LARGE
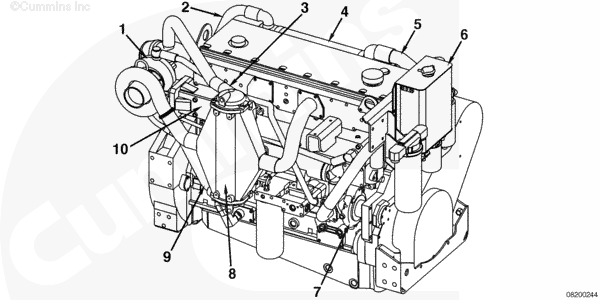
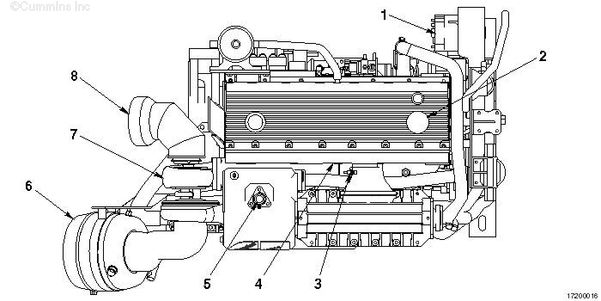
Front – QSM11 Marine

  1. Zinc plugs
  2. Air crossover
  3. Coolant filter
  4. Fuel Filter
  5. Crankcase breather
  6. Alternator
  7. Vibration damper
  8. Front engine mounts
  9. Aftercooler-to-heat-exhanger pipe
  10. Heat exchanger.

SMALL | MEDIUM | LARGE
Left (Port) – QSM11 Marine – Components

  1. Crankcase breather
  2. ECM
  3. Exhaust elbow
  4. Zinc anode
  5. Gear cooler drain plug
  6. Starter
  7. Oil pan
  8. Zinc anode (fuel cooler)
  9. Fuel cooler drain plug
  10. Fuel cooler
  11. Sea water pump
  12. Fuel pump
  13. Sea-water-pump-to-aftercooler pipe
  14. Oil fill.

SMALL | MEDIUM | LARGE
Left (Port) – QSM 11 Marine – Sensors

  1. Ambient air pressure sensor
  2. Oil pressure/temperature sensor (behind fuel pump)
  3. Engine position sensor (behind fuel pump).

SMALL | MEDIUM | LARGE
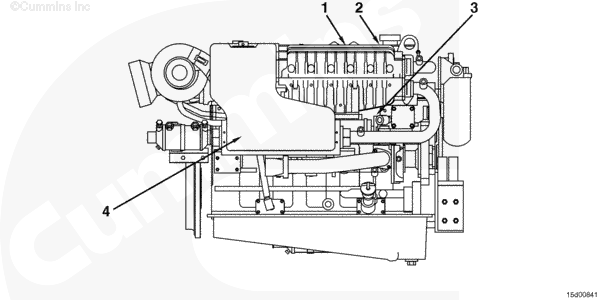
Back – QSM11 Marine

  1. Turbocharger
  2. Air cleaner
  3. Flywheel
  4. Flywheel housing
  5. Alternator.

SMALL | MEDIUM | LARGE
Right (Starboard) – QSM11 Marine – Components

  1. Gear oil cooler
  2. Zinc anode (gear cooler)
  3. Heat exchanger
  4. Expansion tank
  5. Aftercooler
  6. Thermostat housing
  7. Zinc anode
  8. Engine lifting bracket
  9. Zinc anode
  10. Vibration damper
  11. Oil pan drain plug
  12. Coolant drain
  13. Water pump
  14. Oil dipstick
  15. Oil fill
  16. Engine oil cooler
  17. Zinc anode
  18. Gear oil cooler drain plug.

SMALL | MEDIUM | LARGE
Right (Starboard) – QSM11 Marine – Sensors

  1. Intake manifold temperature sensor
  2. Intake manifold pressure sensor
  3. Coolant temperature sensor
  4. Coolant level sensor.

SMALL | MEDIUM | LARGE
Right (Starboard) – QSM11 Marine – Heat Exchanger

  1. Turbocharger with water cooled turbine housing
  2. Coolant flow from heat exchanger
  3. Aftercooler sea water outlet
  4. Heat exchanger
  5. Coolant flow to heat exchanger
  6. Expansion tank
  7. Water pump
  8. Aftercooler
  9. Aftercooler sea water inlet
  10. Water cooled exhaust manifold.

SMALL | MEDIUM | LARGE
Right (Starboard) – QSM11 Marine – Keel Cooled

  1. Turbocharger with water cooled turbine housing
  2. Coolant inlet (aftercooler)
  3. Coolant in from Keel Cooler
  4. LTA thermostat housing
  5. Coolant out to Keel Cooler
  6. Water pump
  7. Coolant to water pump
  8. Aftercooler
  9. Coolant outlet (aftercooler) to water pump
  10. Gear oil cooler (optional)
  11. Water cooled exhaust manifold
  12. Coolant out from turbocharger.

SMALL | MEDIUM | LARGE
Top – QSM11 Marine

  1. Alternator
  2. Oil fill (alternate)
  3. Intake manifold temperature sensor
  4. Intake manifold pressure sensor
  5. Coolant fill
  6. Air cleaner
  7. Turbocharger
  8. Exhaust elbow.

Last Modified:  06-Feb-2009