ISBe/ISB Series Engines – 100-002   Engine Diagrams

View Related Topic


Table of Contents

Engine Views
 
Without EGR
With EGR

Engine Views

TOC

Without EGR

SMALL | MEDIUM | LARGE
QSB6.7 Engine Rear View

  1. Rear engine lifting bracket
  2. Turbocharger exhaust outlet
  3. Clutch mounting holes
  4. Flywheel housing
  5. Flywheel/flexplate
  6. Crankcase breather tube
  7. Injector drain line

SMALL | MEDIUM | LARGE
QSB6.7 Engine Exhaust Side View

  1. Coolant outlet
  2. Alternator
  3. Coolant inlet
  4. Lubricating oil cooler
  5. Oil filter
  6. Oil pan drain plug
  7. Turbocharger exhaust outlet
  8. Starter
  9. Flywheel housing
  10. Turbocharger compressor inlet.

The following illustrations show the locations of the major external engine components, filters, and other service and maintenance points. Some external components will be at different locations for different engine models.

NOTE: The illustrations are
only a reference to show a typical engine.

SMALL | MEDIUM | LARGE
3.9 Liter Engine Air Intake Side View

  1. Rail pressure relief valve
  2. Intake manifold pressure/temperature sensor
  3. Air compressor cooling pipes
  4. Air compressor
  5. Engine position sensor (camshaft)
  6. Bosch® fuel pump
  7. Flywheel housing
  8. Fuel filter
  9. Fuel temperature sensor
  10. Electronic control module cooling plate mounting points
  11. Oil pan drain plug
  12. Dipstick
  13. Engine speed sensor (crankshaft)
  14. Electronic control module (ECM)
  15. Ambient air pressure sensor (internal to ECM)
  16. Fuel inlet to cooling plate
  17. Air intake inlet
  18. Coolant outlet
  19. Rail pressure sensor
  20. Fuel rail.

SMALL | MEDIUM | LARGE
5.9 Liter Engine Air Intake Side View

  1. Rail pressure relief valve
  2. Intake manifold pressure/temperature sensor
  3. Air compressor cooling pipes
  4. Air compressor
  5. Engine position sensor (camshaft)
  6. Bosch® fuel pump
  7. Flywheel housing
  8. Fuel filter
  9. Fuel temperature sensor
  10. Electronic control module cooling plate mounting points
  11. Oil pan drain plug
  12. Dipstick
  13. Engine speed sensor (crankshaft)
  14. Electronic control module (ECM)
  15. Ambient air pressure sensor (internal to ECM)
  16. Fuel inlet to cooling plate
  17. Air intake inlet
  18. Coolant outlet
  19. Rail pressure sensor
  20. Fuel rail.

SMALL | MEDIUM | LARGE
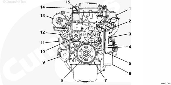
3.9 Liter Engine Front View

  1. Air inlet
  2. Fan drive
  3. Electronic control module (ECM)
  4. Engine speed sensor (crankshaft)
  5. Dipstick
  6. Fuel filter
  7. Vibration damper
  8. Fan or PTO drive flange mounting
  9. Starter
  10. Water pump
  11. Coolant inlet
  12. Belt tensioner
  13. Alternator
  14. Coolant outlet
  15. Coolant temperature sensor.

SMALL | MEDIUM | LARGE
5.9 Liter Engine Front View

  1. Air inlet
  2. Fan drive
  3. Electronic control module (ECM)
  4. Engine speed sensor (crankshaft)
  5. Dipstick
  6. Fuel filter
  7. Vibration damper
  8. Fan or PTO drive flange mounting
  9. Starter
  10. Water pump
  11. Coolant inlet
  12. Belt tensioner
  13. Alternator
  14. Coolant outlet
  15. Coolant temperature sensor.

SMALL | MEDIUM | LARGE
3.9 Liter Engine Rear View

  1. Coolant connection for air compressor
  2. Air outlet from turbocharger
  3. Air inlet to turbocharger
  4. Flywheel
  5. Flywheel housing
  6. Crankcase breather tube
  7. Fuel return line
  8. Engine lifting brackets.

SMALL | MEDIUM | LARGE
5.9 Liter Engine Rear View

  1. Coolant connection for air compressor
  2. Air outlet from turbocharger
  3. Air inlet to turbocharger
  4. Flywheel
  5. Flywheel housing
  6. Crankcase breather tube
  7. Fuel return line
  8. Engine lifting brackets.

SMALL | MEDIUM | LARGE
3.9 Liter Engine Exhaust Side View

  1. Coolant outlet
  2. Alternator
  3. Oil pressure/temperature sensor
  4. Coolant inlet
  5. Oil filter
  6. Oil pan drain plug
  7. Turbocharger exhaust outlet
  8. Starter
  9. Flywheel housing
  10. Turbocharger compressor inlet.

SMALL | MEDIUM | LARGE
5.9 Liter Engine Exhaust Side View

  1. Coolant outlet
  2. Alternator
  3. Oil pressure/temperature sensor
  4. Coolant inlet
  5. Oil filter
  6. Oil pan drain plug
  7. Turbocharger exhaust outlet
  8. Starter
  9. Flywheel housing
  10. Turbocharger compressor inlet.

SMALL | MEDIUM | LARGE
3.9 Liter Engine Top View

  1. Turbocharger wastegate actuator
  2. Flywheel housing
  3. Crankcase breather
  4. Air compressor coolant connection
  5. Intake manifold pressure/temperature sensor
  6. Air compressor
  7. Fuel rail
  8. High-pressure supply line (pump to rail)
  9. Fuel rail pressure sensor
  10. High-pressure fuel lines
  11. Oil fill cap
  12. Engine speed sensor (crankshaft)
  13. Tone wheel
  14. Coolant temperature sensor
  15. Vibration damper
  16. Coolant outlet
  17. Alternator
  18. Oil pressure/temperature sensor
  19. Exhaust manifold.

SMALL | MEDIUM | LARGE
5.9 Liter Engine Top View

  1. Turbocharger wastegate actuator
  2. Starter
  3. Crankcase breather
  4. Air compressor coolant connection
  5. Air compressor
  6. Intake manifold pressure/temperature sensor
  7. High-pressure supply line (pump to rail)
  8. Fuel rail pressure sensor
  9. Fuel rail
  10. High-pressure fuel lines
  11. Oil fill cap
  12. Engine speed sensor (crankshaft)
  13. Tone wheel
  14. Vibration damper
  15. Coolant temperature sensor
  16. Coolant outlet
  17. Alternator
  18. Oil pressure/temperature sensor
  19. Exhaust manifold.

With EGR

SMALL | MEDIUM | LARGE
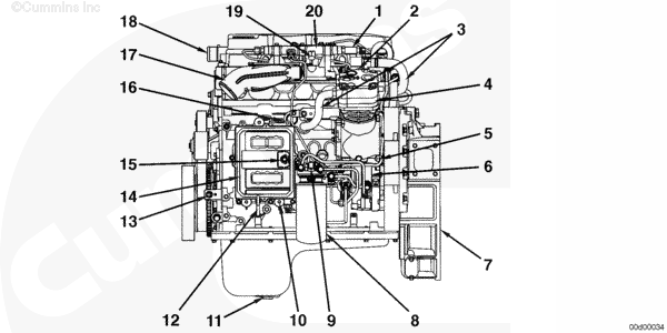
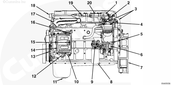
ISB CM850, 5.9 Liter Engine Intake Side View (with EGR)

  1. Exhaust pressure sensor
  2. Rail pressure relief valve
  3. Fuel rail
  4. Intake manifold pressure sensor
  5. Intake temperature sensor
  6. Electronic fuel control (EFC) actuator
  7. Bosch® fuel pump
  8. Air compressor
  9. Flywheel housing
  10. Oil pressure switch
  11. Fuel filter
  12. Fuel inlet to cooling plate
  13. Oil pan drain plug
  14. Barometric pressure sensor
  15. Engine speed sensor (crankshaft)
  16. Electronic control module (ECM)
  17. Engine speed sensor (camshaft)
  18. Air intake inlet
  19. EGR temperature sensor
  20. Fuel heater
  21. Rail pressure sensor.

SMALL | MEDIUM | LARGE
5.9 Liter Engine Intake Side View (with EGR)

  1. Exhaust pressure sensor
  2. Rail pressure relief valve
  3. Fuel rail
  4. Intake manifold pressure sensor
  5. Intake temperature sensor
  6. Electronic fuel control (EFC) actuator
  7. Bosch® fuel pump
  8. Air compressor
  9. Flywheel housing
  10. Oil pressure switch
  11. Fuel filter
  12. Fuel inlet to cooling plate
  13. Oil pan drain plug
  14. Barometric pressure sensor
  15. Engine speed sensor (crankshaft)
  16. Electronic control module (ECM)
  17. Engine speed sensor (camshaft)
  18. Air intake inlet
  19. EGR temperature sensor
  20. Fuel heater
  21. Rail pressure sensor.

SMALL | MEDIUM | LARGE
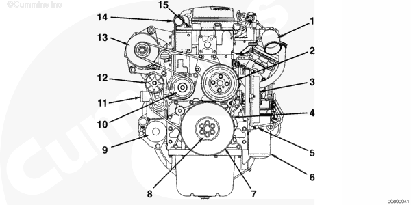
5.9 Liter Engine Front View (with EGR)

  1. Fan drive
  2. EGR differential pressure sensor
  3. EGR temperature sensor
  4. Air inlet
  5. Fuel heater
  6. Fuel lift pump
  7. Fuel filter
  8. Water-in-fuel sensor
  9. Electronic control module (ECM)
  10. Engine speed sensor (camshaft)
  11. Engine speed sensor (crankshaft)
  12. Vibration damper
  13. Fan or PTO drive flange mounting
  14. Starter
  15. Coolant inlet
  16. Belt tensioner
  17. Water pump
  18. Freon compressor
  19. Alternator
  20. Coolant outlet
  21. Coolant temperature sensor.

SMALL | MEDIUM | LARGE
5.9 Liter Engine Rear View (with EGR)

  1. Breather tube (valve cover to gear housing)
  2. EGR cooler
  3. EGR valve
  4. Air outlet from turbocharger
  5. Turbocharger exhaust outlet
  6. Flywheel housing
  7. Flywheel
  8. Gear housing
  9. Crankcase breather
  10. Fuel out (return to tank)
  11. Coolant connection for air compressor
  12. Fuel return line.

SMALL | MEDIUM | LARGE
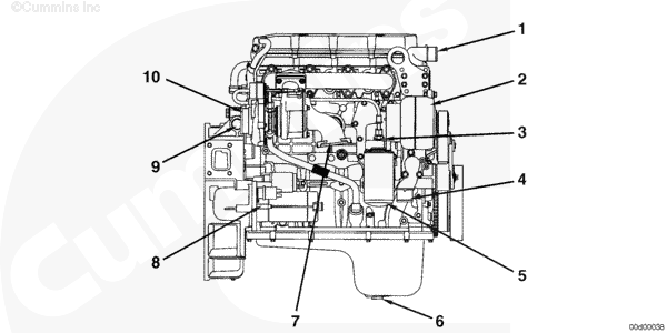
5.9 Liter Engine Exhaust Side View (with EGR)

  1. Exhaust pressure sensor
  2. Coolant outlet
  3. Alternator
  4. Exhaust manifold
  5. Oil filter
  6. Coolant inlet
  7. Oil pan drain plug
  8. Turbocharger position sensor
  9. Turbocharger actuator
  10. Turbocharger compressor inlet
  11. Compressor inlet temperature sensor
  12. Turbocharger speed sensor
  13. Turbocharger exhaust outlet
  14. Starter
  15. Flywheel housing
  16. Gear housing
  17. EGR cooler
  18. EGR valve
  19. EGR actuator.

SMALL | MEDIUM | LARGE
5.9 Liter Engine Top View (with EGR)

  1. EGR valve
  2. EGR cooler
  3. Starter
  4. Breather tube (valve cover to gear housing)
  5. Air compressor coolant connection
  6. High-pressure fuel lines
  7. Intake temperature sensor
  8. Fuel rail
  9. Intake manifold pressure sensor
  10. Rail pressure relief valve
  11. Fuel rail pressure sensor
  12. EGR temperature sensor
  13. EGR differential pressure sensor
  14. Tone wheel
  15. Vibration damper
  16. Oil fill cap
  17. Coolant temperature sensor
  18. Coolant outlet
  19. Alternator
  20. Oil filter.

Last Modified:  19-Jun-2008