Electronic Control System Gas Plus Engines – 019-388   Turbocharger Control Valve

Table of Contents

Remove
Inspect for Reuse
Install

Remove

TOC

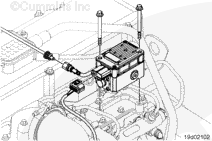
Keyswitch is in the OFF position.

Disconnect the electrical harness from the turbocharger control valve.

To remove the connector, place the forefinger on the connector release with the thumb on the connector while pressing the release mechanism with the forefinger as shown.

Push in on the release mechanism and pull firmly on the connector for removal as shown.

SMALL | MEDIUM | LARGE


Bleed the air from the turbocharger control valve supply line.

Remove the air lines to the turbocharger actuator and the air supply.

Remove the two mounting capscrews.

Discard the sealing washers.

SMALL | MEDIUM | LARGE
   

Inspect for Reuse

TOC

 WARNING 

Wear appropriate eye and face protection when using compressed air. Flying debris and dirt can cause personal injury.

It is normal for a small amount of air to be heard escaping from the turbocharger control valve. Do not replace the turbocharger control valve for this condition.

Check the air lines for cracks. Replace air lines if cracks are found.

Check air line for contamination or water.

Use compressed air to clean the air lines.

SMALL | MEDIUM | LARGE
   

Install

TOC

 CAUTION 

Do not use any type of thread sealant or thread tape on air lines. The sealant can cause contamination or malfunction of the turbocharger control valve.

Install the two mounting capscrews.

Torque Value:  24  n.m  [18 ft-lb]

Connect the electrical harness to the turbocharger control valve.

Install the air line from the turbocharger actuator to the turbocharger control valve using new sealing washers.

Torque Value:  18  n.m  [160 in-lb]

Install the OEM air supply line to the turbocharger control valve.

Start and operate the engine. Verify proper operation.

Check for air leaks.

SMALL | MEDIUM | LARGE
Last Modified:  14-Jul-2004