Mechanical Gas Fuel System G5.9, G8.3 – 100-002   Engine Diagrams

Table of Contents

Engine Views

Engine Views

TOC

SMALL | MEDIUM | LARGE
Front – KTA19GC

  1. Air crossover tube
  2. Throttle body
  3. Coil (ignition)
  4. Aftercooler cover
  5. Governor/throttle arm
  6. Aftercooler water outlet pipe
  7. Aftercooler water inlet pipe
  8. Low Temperature Aftercooling (LTA) water pump assembly
  9. Belt tensioner
  10. Low Temperature Aftercooling (LTA) pump drive belt
  11. Governor drive oil dipstick
  12. Accessory drive pulley
  13. Lubricating oil level regulator
  14. Lubricating oil pan
  15. Vibration damper
  16. Water pump (engine)
  17. Alternator drive belt
  18. Alternator
  19. Turbocharger oil supply hose
  20. Turbocharger
  21. Water outlet connection.

SMALL | MEDIUM | LARGE
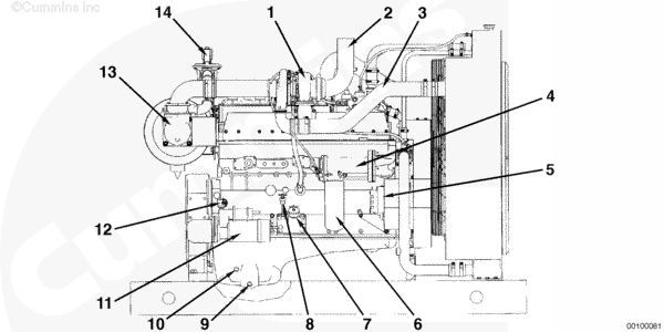
Left – KTA19GC

  1. Exhaust connection
  2. Air crossover pipe
  3. Throttle body
  4. Crankcase breather tube
  5. Air filter assembly
  6. Coil Shield
  7. Throttle cable assembly
  8. Crankcase breather
  9. Engine oil filter head
  10. Flywheel housing
  11. Dipstick assembly
  12. Lubricating oil fill tube
  13. Lubricating oil pan
  14. Engine oil level regulator
  15. Governor drive assembly
  16. Altronic III ignition
  17. Woodward™ PSG governor
  18. Low Temperature Aftercooling (LTA) water pump
  19. Aftercooler water inlet pipe
  20. Aftercooler outlet pipe
  21. Engine water outlet connection
  22. Governor/throttle arm
  23. Ignition coils.

SMALL | MEDIUM | LARGE
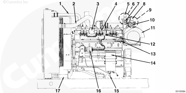
Right – KTA19GC

  1. Turbocharger exhaust outlet
  2. Turbocharger housing coolant outlet line
  3. Water connection outlet
  4. Thermostat housing
  5. Turbocharger oil supply line
  6. Engine data tag
  7. Alternator
  8. Alternator drive belt
  9. Water pump accessory drive pulley
  10. Engine water pump
  11. Vibration damper and pulley
  12. Water pump inlet pipe
  13. Water filter assembly
  14. Lubricating oil pan
  15. Turbocharger oil drain line
  16. Starter motor
  17. Turbocharger housing coolant supply line
  18. Flywheel housing
  19. Water-cooled exhaust manifold
  20. Turbocharger
  21. Impco 600 carburetor
  22. Air filter assembly
  23. Ignition coil
  24. Air crossover tube.

SMALL | MEDIUM | LARGE
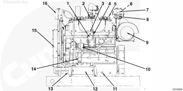
Top – KTA19GC

  1. Vibration damper
  2. Water outlet connection
  3. Alternator
  4. Wet exhaust manifold
  5. Turbocharger exhaust pipe
  6. Turbocharger oil supply line
  7. Turbocharger housing coolant outlet tube
  8. Turbocharger
  9. Air crossover pipe
  10. Water manifold crossover pipe to wet exhaust manifold
  11. Impco 600 carburetor power valve
  12. Impco 600 carburetor
  13. Air filter assembly
  14. Crankcase breather assembly
  15. Secondary lead assembly (spark plug wire)
  16. Ignition coil
  17. Throttle body assembly
  18. Governor/throttle arm
  19. Woodward™ PSG governor
  20. Aftercooler water pump assembly
  21. Aftercooler water pump outlet.

SMALL | MEDIUM | LARGE
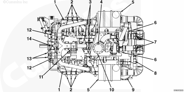
Front – GTA38 shown, GTA50 similar

  1. Exhaust outlet connection
  2. Air/fuel mixer
  3. Engine mounted regulator
  4. Turbocharger compressor inlet
  5. Fuel inlet crossover pipe
  6. Turbocharger
  7. Throttle body
  8. Vibration damper
  9. Lubricating oil pan
  10. Low Temperature Aftercooling (LTA) pump
  11. Alternator
  12. Water outlet connection.

SMALL | MEDIUM | LARGE
Left – GTA38 shown, GTA50 similar

  1. Exhaust outlet connection
  2. Air cleaner
  3. Aftercooler
  4. Air/fuel mixer
  5. Exhaust test port
  6. Turbocharger
  7. Fuel shutoff valves
  8. Fuel inlet
  9. Throttle actuator
  10. Engine barring device
  11. Flywheel housing
  12. Lubricating oil filter head
  13. Lubricating oil pan
  14. Ignition drive
  15. Vibration damper
  16. Ignition generator
  17. Throttle body
  18. Fuel inlet crossover pipe
  19. Engine mounted regulator.

SMALL | MEDIUM | LARGE
Rear – GTA38 shown, GTA50 similar

  1. Air cleaner
  2. Exhaust outlet connection
  3. Air/fuel mixer
  4. Engine mounted regulator
  5. Turbocharger compressor inlet
  6. Fuel inlet crossover pipe
  7. Turbocharger
  8. Throttle actuator
  9. Lubricating oil pan
  10. Flywheel
  11. Fuel shutoff valves.

SMALL | MEDIUM | LARGE
Front – GTA28

  1. Exhaust outlets
  2. Turbochargers
  3. Fuel pressure regulator
  4. Coolant outlets
  5. Water pump
  6. Drive belt
  7. Accessory drive pulley
  8. Lubricating oil pan
  9. Vibration damper
  10. Aftercooler coolant outlet
  11. Fan belt tensioner
  12. Auxiliary water pump.

SMALL | MEDIUM | LARGE
Left – GTA28

  1. Exhaust outlets
  2. Turbocharger
  3. Throttle valve
  4. Fuel pressure regulator
  5. Fuel shutoff valve
  6. Fuel supply inlet
  7. Air filter
  8. Lubricating oil cooler
  9. Lubricating oil filter housing
  10. Flywheel housing
  11. Lubricating oil filters
  12. Lubricating oil pan
  13. Ignition module
  14. Mechanical governor drive
  15. Radiator.

SMALL | MEDIUM | LARGE
Rear – GTA28

  1. Exhaust outlets
  2. Turbocharger inlets
  3. Turbochargers
  4. Air/fuel mixers
  5. Air filters
  6. Lubricating oil pan
  7. Flywheel
  8. Fuel inlet
  9. Fuel shutoff solenoid
  10. Fuel pressure regulator.

SMALL | MEDIUM | LARGE
Right – GTA28

  1. Exhaust outlets
  2. Exhaust port
  3. Throttle valve
  4. Auxiliary water pump
  5. Coolant filters
  6. Aftercooler coolant outlet
  7. Dipstick
  8. Lubricating oil pan
  9. Flywheel housing
  10. Ignition coil
  11. Spark plug wire
  12. Air filter
  13. Turbocharger.

SMALL | MEDIUM | LARGE
Top – GTA28

  1. Air crossover
  2. Throttle valve
  3. Turbocharger
  4. Spark plug wire (12)
  5. Throttle linkage
  6. Belt tensioner
  7. Water pump
  8. Vibration damper
  9. Coolant outlets
  10. Aftercooler coolant outlet
  11. Air filter
  12. Air/fuel mixer
  13. Fuel pressure regulator
  14. Fuel shutoff solenoid
  15. Fuel inlet
  16. Ignition coil (12).

SMALL | MEDIUM | LARGE
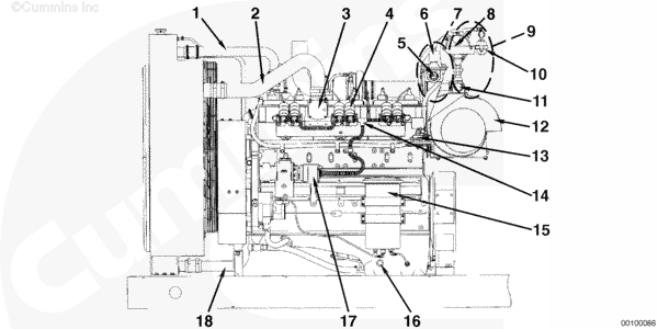
Front – G5.9

  1. Fuel shutoff valve
  2. Air/fuel mixer
  3. Ignition coils
  4. Drive belt
  5. Dipstick
  6. Vibration damper
  7. Lubricating oil pan
  8. Coolant inlet
  9. Water pump drive pulley
  10. Lubricating oil filter
  11. Alternator
  12. Air filter assembly
  13. Exhaust outlet
  14. Air filter inlet.

SMALL | MEDIUM | LARGE
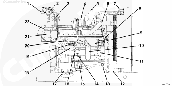
Right – G5.9

  1. Throttle body
  2. Throttle arm linkage
  3. Ignition coils
  4. Governor
  5. Coolant outlet
  6. Lubricating oil cooler
  7. Lubricating oil filter
  8. Vibration damper
  9. Coolant inlet
  10. Lubricating oil pan
  11. Flywheel housing
  12. Starter motor
  13. Air filter assembly
  14. Exhaust outlet
  15. Fuel shutoff valve
  16. Secondary fuel regulator
  17. Air/fuel mixer.

SMALL | MEDIUM | LARGE
Top – G5.9

  1. Exhaust outlet
  2. Rocker lever covers
  3. Air filter assembly
  4. Fuel shutoff valve
  5. Secondary fuel regulator
  6. Air/fuel mixer
  7. Ignition coils
  8. Throttle arm linkage
  9. Governor
  10. Vibration damper
  11. Alternator.

SMALL | MEDIUM | LARGE
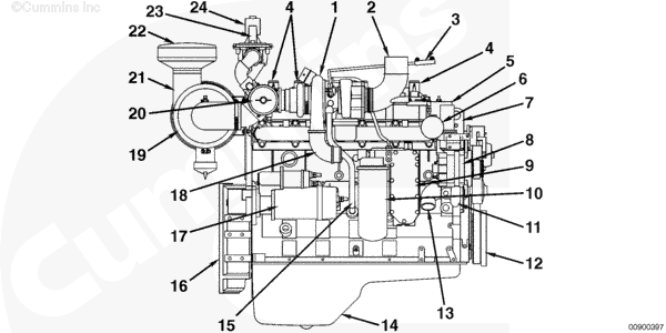
Front – G8.3

  1. Fuel shutoff valve
  2. Ignition coil
  3. Drive belt
  4. Vibration damper
  5. Lubricating oil pan
  6. Alternator
  7. Turbocharger compressor outlet (CAC
    only)
  8. Coolant filter
  9. Turbocharger
  10. Turbocharger exhaust outlet
  11. Secondary fuel regulator.

SMALL | MEDIUM | LARGE
Left – G8.3

  1. Ignition coils
  2. Fuel shutoff valve
  3. Air cleaner housing
  4. Ignition module
  5. Flywheel housing
  6. Lubricating oil pan
  7. Dipstick
  8. Vibration damper
  9. Throttle body
  10. Intake manifold inlet
  11. Engine lift hook
  12. Rocker lever cover
  13. Exhaust outlet.

SMALL | MEDIUM | LARGE
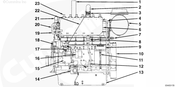
Right – G8.3

  1. Turbocharger
  2. Turbocharger exhaust outlet
  3. Governor linkage arm
  4. Ignition coil
  5. Rocker lever cover
  6. Coolant filter
  7. Engine lift hook
  8. Alternator
  9. Lubricating oil cooler
  10. Lubricating oil filter
  11. Water pump
  12. Vibration damper
  13. Coolant inlet
  14. Lubricating oil pan
  15. Turbocharger drain tube
  16. Flywheel housing
  17. Starter motor
  18. Turbocharger compressor outlet (CAC
    only)
  19. Air filter assembly
  20. Air/fuel mixer
  21. Air filter housing
  22. Air filter inlet
  23. Secondary fuel regulator
  24. Fuel shutoff valve.

SMALL | MEDIUM | LARGE
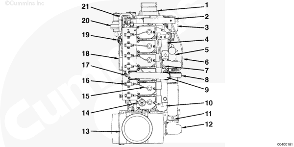
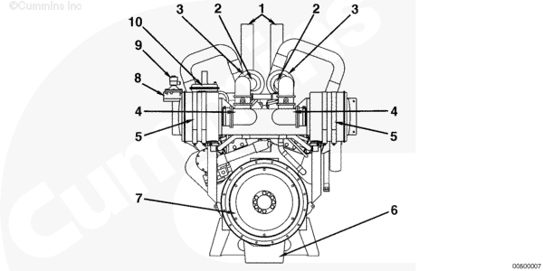
Top – G8.3

  1. Alternator
  2. Turbocharger exhaust outlet
  3. Turbocharger water supply
  4. Turbocharger oil supply
  5. Turbocharger
  6. Air/fuel mixer
  7. Air filter assembly
  8. Secondary fuel regulator
  9. Fuel shutoff valve
  10. Ignition coils
  11. Rocker lever cover
  12. Vibration damper.

SMALL | MEDIUM | LARGE
Left – GTA855, Charge Air Cooled

  1. Mechanical governor
  2. Throttle linkage
  3. Throttle body
  4. Ignition coils
  5. Spark plug wires and probes (ignition secondary circuit)
  6. Fuel module – natural gas
  7. Fuel shutoff solenoid and valve
  8. Fuel inlet connection
  9. Air cleaner (heavy duty with secondary)
  10. Intake manifold
  11. Vernier governor control
  12. Ignition generator and control unit
  13. Lubricating oil pan accessory port
  14. Radiator outlet tube (engine coolant inlet)
  15. Ignition wiring harness (primary)
  16. Radiator inlet tube (engine coolant outlet)
  17. Charge air cooler (CAC) outlet (engine air inlet).

SMALL | MEDIUM | LARGE
Left – GTA855, Heat Exchanger

  1. Electronic governor actuator
  2. Throttle body
  3. Ignition wiring harness (primary)
  4. Governor/throttle body linkage
  5. Ignition coils
  6. Fuel module – natural gas
  7. Fuel shutoff solenoid and valve
  8. Fuel inlet connection
  9. Air cleaner (disposable)
  10. Ignition generator and control unit
  11. Lubricating oil pan accessory port
  12. Heat exchanger (aftercooler)
  13. Heat exchanger inlet (customer supplied raw water in)
  14. Auxiliary water pump (aftercooler)
  15. Fan guard
  16. Surge tank.

SMALL | MEDIUM | LARGE
Left – GTA855, Bi-fuel – Propane Vapor

  1. Radiator inlet tube (engine coolant outlet)
  2. Charge air cooler (CAC) outlet (engine air inlet)
  3. Electronic governor (integral throttle body and actuator
  4. Ignition coils
  5. Fuel shutoff solenoid and valve – propane vapor
  6. Fuel module – propane vapor
  7. Fuel inlet – propane vapor
  8. Fuel shutoff solenoid and valve – natural gas
  9. Fuel module – natural gas
  10. Fuel inlet – natural gas
  11. Air cleaner (disposable)
  12. Ignition wiring harness (primary)
  13. Fuel pressure switch (switches to propane when natural gas pressure is zero)
  14. Bypass oil filter
  15. Lubricating oil pan accessory port
  16. Ignition generator and control unit
  17. Radiator outlet tube (engine coolant inlet).

SMALL | MEDIUM | LARGE
Left – GTA855, Bi-fuel – Liquid Propane

  1. Radiator inlet tube (engine coolant outlet)
  2. Charge air cooler (CAC) outlet (engine air inlet)
  3. Electronic governor (integral throttle body and actuator)
  4. Ignition coils
  5. Fuel inlet – natural gas
  6. Fuel shutoff solenoid and valve – natural gas
  7. Fuel module – natural gas
  8. Converter – liquid propane gas
  9. Fuel module – liquid propane gas
  10. Fuel shutoff solenoid and valve – liquid propane gas
  11. Fuel inlet – liquid propane gas
  12. Air cleaner (disposable)
  13. Fuel pressure switch (switches to propane when natural gas pressure is zero)
  14. Ignition wiring harness (primary)
  15. Bypass oil filter
  16. Lubricating oil pan accessory port
  17. Ignition generator and control unit
  18. Radiator outlet tube (engine coolant inlet).

SMALL | MEDIUM | LARGE
Right – GTA855, Charge Air Cooled

  1. Turbocharger
  2. Exhaust outlet
  3. Charge air cooler (CAC) inlet tubing (turbocharger compressor outlet)
  4. Lubricating oil cooler
  5. Alternator
  6. Full flow oil filter
  7. Lubricating oil fill
  8. Lubricating oil dipstick
  9. Lubricating oil drain
  10. Lubricating oil pan accessory port
  11. Starter
  12. Starter relay
  13. Carburetor
  14. Fuel regulator.

SMALL | MEDIUM | LARGE
Right – GTA855, Heat Exchanger

  1. Crossover tube (turbocharger compressor to throttle body)
  2. Turbocharger
  3. Exhaust outlet
  4. Expansion tank vent line (engine coolant)
  5. Expansion tank
  6. Lubricating oil cooler
  7. Full flow oil filter
  8. Heat exchanger outlet (customer supplied raw water outlet)
  9. Heat exchanger (engine)
  10. Lubricating oil fill
  11. Lubricating oil drain
  12. Starter
  13. Lubricating oil dipstick
  14. Carburetor
  15. Fuel regulator.

SMALL | MEDIUM | LARGE
Right – GTA855, Bi-fuel – Propane Vapor

  1. Fuel regulator – natural gas
  2. Fuel regulator – propane vapor
  3. Turbocharger
  4. Exhaust outlet
  5. Charge air cooler (CAC) inlet tube (turbocharger compressor outlet)
  6. Vent line – engine coolant
  7. Coolant filter shutoff valve (outlet)
  8. Lubricating oil cooler
  9. Lubricating oil filter
  10. Radiator outlet tube (engine coolant inlet)
  11. Coolant heater shutoff valve
  12. Coolant filter shutoff valve (inlet)
  13. Lubricating oil level regulator
  14. Lubricating oil fill
  15. Coolant heater
  16. Lubricating oil dipstick
  17. Water filter
  18. Coolant heater shutoff valve
  19. Carburetor
  20. Air/fuel mixer adjustment.

SMALL | MEDIUM | LARGE
Right – GTA855, Bi-fuel – Liquid Propane

  1. Fuel shutoff solenoid and valve – liquid propane gas
  2. Liquid propane gas evaporator/convertor
  3. Fuel regulator – natural gas
  4. Turbocharger
  5. Exhaust outlet
  6. Charge air cooler (CAC) inlet tube (turbocharger compressor outlet)
  7. Vent line – engine coolant
  8. Coolant filter shutoff valve (outlet)
  9. Lubricating oil cooler
  10. Lubricating oil filter
  11. Alternator
  12. Radiator outlet tube (engine inlet)
  13. Coolant heater shutoff
  14. Lubricating oil fill
  15. Lubricating oil level regulator
  16. Lubricating oil dipstick
  17. Coolant heater
  18. Water filter
  19. Coolant filter shutoff valve (inlet)
  20. Coolant heater shutoff valve
  21. Carburetor
  22. Air/fuel mixer adjustment.

SMALL | MEDIUM | LARGE
Front – KTA38GC

  1. Air cleaner
  2. Low Temperature Aftercooling (LTA) thermostat housing
  3. Thermostat housing
  4. Ignition coils
  5. Coolant filters
  6. Vibration damper
  7. Bypass oil filters
  8. Lubricating oil pan
  9. Stubshaft
  10. Low Temperature Aftercooling (LTA) water pump
  11. Low Temperature Aftercooling (LTA) coolant inlet.

SMALL | MEDIUM | LARGE
Left – KTA38GC

  1. Ignition coils
  2. Exhaust oxygen sensor
  3. Air cleaners
  4. Air/fuel mixer
  5. Air/fuel ratio control valve
  6. Fuel inlet
  7. Fuel pressure regulator
  8. Engine position sensor
  9. Flywheel housing
  10. Lubricating oil filter head
  11. Lubricating oil filter
  12. Electronic Control Module (ECM)
  13. Bypass oil filters
  14. Ignition control module (GCIM-1)
  15. Crankcase breather
  16. Coolant filters
  17. Thermostat housing
  18. Low Temperature Aftercooling (LTA) thermostat housing.

SMALL | MEDIUM | LARGE
Rear – KTA38GC

  1. Air cleaners
  2. Air/fuel mixers
  3. Fuel plenum
  4. Ignition reset sensor
  5. Lubricating oil pan
  6. Bypass oil filters
  7. Flywheel housing
  8. Flywheel
  9. Ignition speed sensor
  10. Engine speed sensor
  11. Fuel pressure regulator
  12. Fuel inlet
  13. Air/fuel ration control valve.

SMALL | MEDIUM | LARGE
Right – KTA38GC

  1. Air cleaners
  2. Ignition coils
  3. Alternator
  4. Low Temperature Aftercooling (LTA) water pump
  5. Engine water pump
  6. Lubricating oil pan
  7. Starter.

SMALL | MEDIUM | LARGE
Top – KTA38GC

  1. Aftercoolers
  2. Ignition coils
  3. Water cooled exhaust manifolds
  4. Exhaust outlet
  5. Air cleaners
  6. Turbochargers
  7. Air/fuel mixers
  8. Air/fuel ratio control valve
  9. Fuel pressure regulator
  10. Exhaust oxygen sensor
  11. Governor/integrated throttle
  12. Thermostat housing
  13. Coolant filters
  14. Low Temperature Aftercooling (LTA) thermostat housing.

Last Modified:  15-May-2008