Cummins N14 STC, Celect, Celect Plus – Service Manual 003-004   Overhead Set

General Information

TOC

 WARNING 

Batteries can emit explosive gases. To reduce the possibility of personal injury, always ventilate the compartment before servicing the batteries. To reduce the possibility of arcing, remove the negative (-) battery cable first and attach the negative (-) battery cable last.
 
SMALL | MEDIUM | LARGE


NOTE: Read the entire procedure for overhead adjustment before attempting to perform this operation.

Valves and injectors must be correctly adjusted for the engine to operate efficiently. Valve and injector adjustment must be performed using the values listed in this section.

CELECT™ Plus Valve and Injector Adjustment Values
CELECT™ Plus Injector Adjustment: Bottom plunger, release, and bottom timing plunger. Back out two flats (120 degrees).
 
mm
in
Intake Valve
0.35
0.014
Exhaust Valve
0.68
0.027
Engine brake
0.58
0.023

SMALL | MEDIUM | LARGE
   


The preferred method of performing normal valve and step timing control (STC) injector overhead adjustment is to use the outer base circle (OBC) method, where the crush of the injector plunger to cup is set by tightening the injector rocker lever adjusting screw to a prescribed torque. If the STC injectors have been removed for cleaning and calibration, or if new ReCon injectors are being installed, use the OBC overhead set procedure.

STC Valve and Injector Adjustment Values
STC Injector Adjustment (OBC Method): Torque to 14 N•m [125 in-lb].
 
mm
in
Intake Valve
0.35
0.014
Exhaust Valve
0.68
0.027
Engine brake
0.58
0.023
 
SMALL | MEDIUM | LARGE
   

Preparatory Steps

TOC

SMALL | MEDIUM | LARGE
   

Adjust

TOC

CELECT™ or CELECT™ Plus


All overhead (valve and injector) adjustments must be made when the engine is cold (any stabilized coolant temperature at 60°C [140°F] or below).

 
SMALL | MEDIUM | LARGE
   


NOTE: After an engine rebuild or any major repair where the injector setting must be disturbed, set all the valves and injectors.

CELECT™ Plus injectors will provide acceptable engine performance with lash (OBC) anywhere from 0.51 to 2.04 mm [0.020 to 0.080 in]. The procedure for CELECT™ Plus injector reset will produce lash between 0.51 and 0.74 mm [0.020 and 0.029 in]. Under normal operation, there is never a reason to adjust CELECT™ Plus injectors for excessive lash between scheduled maintenance intervals.

SMALL | MEDIUM | LARGE
   


Tighten the rocker lever shaft capscrews.

Torque Value:  156  n.m  [115 ft-lb]

SMALL | MEDIUM | LARGE
   


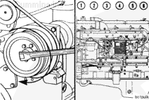
Tighten the rocker lever housing capscrews in the sequence illustrated (1 through 6).

Tighten the rocker lever housing capscrews in the sequence illustrated (7 and 8).

Torque Value:

Capscrews 1 Through 6

  1. 115 n.m   
    [85 ft-lb]
Torque Value:

Capscrews 7 and 8

  1. 47 n.m   
    [35 ft-lb]

SMALL | MEDIUM | LARGE
   


Tighten the injector hold down capscrews.

Torque Value:  41  n.m  [30 ft-lb]

SMALL | MEDIUM | LARGE
   


 WARNING 

Do not pull or pry on the fan to manually rotate the engine. To do so can damage the fan blades. Damaged fan blades can cause premature fan failures which can result in serious personal injury or property damage.

The valve set marks are located on the accessory drive pulley. The marks align with a pointer on the gear cover.

Use the accessory drive shaft to rotate the crankshaft.

 
SMALL | MEDIUM | LARGE
   


The crankshaft rotation is clockwise when viewed from the front of the engine.

The cylinders are numbered from the front end of the engine.

The engine firing order is 1-5-3-6-2-4.

 
SMALL | MEDIUM | LARGE
   


Each cylinder has three rocker levers. The rocker lever nearest to the center of the housing is the intake lever.

  • Exhaust rocker lever (1)
  • Injector rocker lever (2)
  • Intake rocker lever (3)

The two levers closest to the center of each rocker housing are the intake rocker levers. The two levers closest to the ends of the rocker housing are the exhaust levers.

 
SMALL | MEDIUM | LARGE
   


The valves and the injectors on the same cylinder are adjusted at the same index mark on the accessory drive pulley.

One pair of valves and one injector are adjusted at each pulley index mark before rotating the accessory drive to the next index mark.

Two crankshaft revolutions are required to adjust all of the valves and injectors.

CELECT™ Plus Engines
Injector and Valve Adjustment Sequence
Bar Engine in Direction of Rotation
Pulley Position
Set Cylinder
 
Injector
Valve
Start
A
1
1
Advance to
B
5
5
Advance to
C
3
3
Advance to
A
6
6
Advance to
B
2
2
Advance to
C
4
4
Firing Order: 1-5-3-6-2-4
 
SMALL | MEDIUM | LARGE
   


Rotate the accessory drive in the direction of engine rotation. The accessory drive will rotate clockwise , on a right hand engine, when looking at the front of the engine. Align the “A” or “1-6 VS” mark on the accessory drive pulley with the pointer on the gear cover.

 
SMALL | MEDIUM | LARGE
   


Check the valve rocker levers on cylinder number 1 to see if both valves are closed.

NOTE: Both valves are closed when both rocker levers are loose and can be moved from side to side. If both valves are not closed, rotate the accessory drive one complete revolution; and align the “A” mark with the pointer again.

If the valve rocker lever adjusting screws have been loosened and not yet adjusted, watch the valve push tubes as the engine rolls upon the “A” mark. Both valve push tubes will have moved to the downward (valve closed) position if the engine is on the correct stroke.

SMALL | MEDIUM | LARGE
   


 WARNING 

When using solvents, acids, or alkaline materials for cleaning, follow the manufacturer’s recommendations for use. Wear goggles and protective clothing to reduce the possibility of personal injury.
 WARNING 

Some solvents are flammable and toxic. Read the manufacturer’s instructions before using.

Clean the timing plunger to remove the varnish from the top edge.

Apply a non-chlorinated carburetor cleaner (Pyroil or equivalent) using a narrow bore orifice or extension tube of 2.0 mm [0.79 in] maximum outside diameter, into the injector weep hole.

If the entire overhead is to be reset, every injector is to be sprayed at this time.

SMALL | MEDIUM | LARGE
   


Loosen the injector adjusting screw lock nut on cylinder number 1. Bottom the injector timing plunger by tightening and loosening the adjusting screw three or four times to remove the fuel.

When removing the excess fuel, do not apply crush to the injector timing plunger by further tightening the adjusting screw after the plunger is bottomed.

 
SMALL | MEDIUM | LARGE
   


 CAUTION 

Do not apply crush to the injector timing plunger by further tightening the adjusting screw. Doing so will result in an incorrect injector lash setting and can cause excessive injection train wear.

Tighten the adjusting screw on the injector rocker lever until the timing plunger just touches bottom.

 
SMALL | MEDIUM | LARGE
   


 CAUTION 

After bottoming the CELECT™ Plus injector timing plunger, make certain to back out the adjusting screw two flats (120 degrees) or damage to the injector will result.

Back out the adjusting screw on the injector rocker lever two flats (120 degrees).

Two flats will provide 0.56 mm [0.022 in] lash. The specification is 0.50 to 0.74 mm [0.020 to 0.029 in] lash.

 
SMALL | MEDIUM | LARGE
   


Hold the adjusting screw and tighten the lock nut.

Torque Value:  65  n.m  [50 ft-lb]

SMALL | MEDIUM | LARGE
   


After setting the injector on a given cylinder, set the valves on the same cylinder.

With the “A” set mark aligned with the pointer on the gear cover and both valves closed on cylinder number 1, loosen the lock nuts on the intake and the exhaust valve adjusting screws.

 
SMALL | MEDIUM | LARGE
   


Select a feeler gauge for the correct valve lash specification.

Valve Lash Specifications
Intake
Exhaust
0.35 mm [0.014 in]
0.68 mm [0.027 in]

Insert the feeler gauge between the top of the crosshead and the rocker lever pad.

SMALL | MEDIUM | LARGE
   


Two different methods for establishing valve lash clearance are described below. Either method can be used; however, the torque wrench method has proven to be the most consistent.

  • Torque Wrench Method: Use the inch pound torque wrench, Part Number 3376592, and tighten the adjusting screw.
Torque Value:  0.68  n.m  [5 in-lb]
  • Feel Method: Tighten the adjusting screw until a slight drag is felt on the feeler gauge.

SMALL | MEDIUM | LARGE
   


Hold the adjusting screw in this position. The adjusting screw must not turn when the lock nut is tightened.

Torque Value:

Without Torque Wrench Adapter:

  1. 68 n.m   
    [50 ft-lb]
Torque Value:

With Torque Wrench Adapter, Part Number ST-669:

  1. 54 n.m   
    [40 ft-lb]

SMALL | MEDIUM | LARGE
   


After tightening the lock nut to the correct torque value, check to make sure the feeler gauge will slide backward and forward between the crosshead and the rocker lever with only a slight drag.

SMALL | MEDIUM | LARGE
   


If using the feel method, attempt to insert a feeler gauge that is 0.03 mm [0.001 in] thicker between the crosshead and the rocker lever pad. The valve lash is not correct when a thicker feeler gauge will fit.

SMALL | MEDIUM | LARGE
   


After adjusting the injector on cylinder number 1 and the valves on cylinder number 1, rotate the accessory drive and align the next valve set mark with the pointer.

 
SMALL | MEDIUM | LARGE
   


Adjust the appropriate injector and valves following the Injector and Valve Adjustment Sequence in the table below.

Repeat the process to adjust all injectors and valves correctly.

CELECT™ Plus Engines
Injector and Valve Adjustment Sequence
Bar Engine in Direction of Rotation
Pulley Position
Set Cylinder
 
Injector
Valve
Start
A
1
1
Advance to
B
5
5
Advance to
C
3
3
Advance to
A
6
6
Advance to
B
2
2
Advance to
C
4
4
Firing Order: 1-5-3-6-2-4

SMALL | MEDIUM | LARGE
   

STC


Loosen the lock nut on the injector adjusting screw on the cylinder number 5.

 
SMALL | MEDIUM | LARGE
   


 CAUTION 

An overtightened setting on the injector adjusting screw will produce increased stress on the injector train and the camshaft injector lobes, which can result in engine damage.

Use a dial type torque wrench to tighten the injector rocker lever adjusting screw to the specified torque. If the screw causes chattering during setting, repair the screw and lever as required.

Hold the torque wrench in a position that allows the direct view of the dial. This is to make certain that the reading on the dial is accurate.

Torque Value:  14  n.m  [125 in-lb]
 
SMALL | MEDIUM | LARGE
   


Hold the adjusting screw in this position. The adjusting screw must not turn when the lock nut is tightened. Tighten the lock nut.

Torque Value:  65  n.m  [50 ft-lb]
 
SMALL | MEDIUM | LARGE
   


With the “B” mark aligned with the pointer on the gear cover and both valves closed on cylinder number 5, loosen the locknuts on the intake and the exhaust valve adjusting screws.

 
SMALL | MEDIUM | LARGE
   


Select a feeler gauge for the correct valve lash specification.

Valve Lash Specifications

mm in
Intake 0.35 NOM [0.014]
Exhaust 0.68 NOM [0.027]

Insert the feeler gauge between the top of the crosshead and the rocker lever nose.

SMALL | MEDIUM | LARGE
   


Two different methods for establishing valve lash clearance are described below. Either method can be used: however, the torque wrench method has proven to be the most consistent.

Torque Wrench Method

  • Use the inch-pound torque wrench, Part Number 3376592 or equivalent, (normally used to set preload on STC injectors), and tighten the adjusting screw.
Torque Value:  0.56 to 0.68  n.m  [5 to 6 in-lb]

SMALL | MEDIUM | LARGE
   


Feel Method

  • Hold the adjusting screw in this position. The adjusting screw must not turn when the locknut is tightened. Tighten the locknut.
Torque Value:

With torque wrench adapter, Part Number 3163196 or equivalent:

  1. 55 n.m   
    [40 ft-lb]
Torque Value:

Without torque wrench adapter:

  1. 65 n.m   
    [50 ft-lb]

SMALL | MEDIUM | LARGE
   


After tightening the locknut to the correct torque value, check to make sure the feeler gauge will slide backward and forward between the crosshead and the rocker lever with only a slight drag.

SMALL | MEDIUM | LARGE
   


If using the feel method, attempt to insert a feeler gauge that is 0.03 mm [0.001 in] thicker between the crosshead and the rocker lever pad. The valve lash is not correct when a thicker feeler gauge will fit.

SMALL | MEDIUM | LARGE
   


After adjusting the injector on cylinder number 5 and the valves on cylinder number 5, rotate the accessory drive.

Align the next valve set mark with the pointer.

SMALL | MEDIUM | LARGE
   


Adjust the appropriate injector and valves following the Injector and Valve Adjustment Sequence in the table below.

Repeat the process to adjust all injectors and valves correctly.

STC Engine Outer Base Circle (OBC)
Injector and Valve Adjustment Sequence
Bar Engine in Direction of Rotation
Pulley Position
Set Cylinder
 
Injector
Valve
Start
B
5
5
Advance to
C
3
3
Advance to
A
6
6
Advance to
B
2
2
Advance to
C
4
4
Advance to
A
1
1
Firing Order: 1-5-3-6-2-4
 
SMALL | MEDIUM | LARGE
   

Finishing Steps

TOC

SMALL | MEDIUM | LARGE
Last Modified:  17-Oct-2011