ISM, ISMe, and QSM11 – 200-002   Flow Diagram, Lubricating Oil System

Flow Diagram

TOC

Automotive, Industrial, and Generator Drive

SMALL | MEDIUM | LARGE
Lubricating Oil Pump and Power Components

  1. Oil supply from oil pan
  2. Oil pump
  3. Oil flow to pressure regulator
  4. Pressure regulator
  5. Oil flow from main oil rifle
  6. Oil return to oil pan
  7. High pressure relief valve
  8. Oil flow to oil cooler
  9. Oil flow from oil cooler to main oil rifle
  10. Main oil rifle
  11. Oil supply to main bearings
  12. Piston cooling oil rifle
  13. Oil supply to camshaft
  14. Oil flow around camshaft bushings
  15. Oil supply to camshaft followers
  16. Oil flow around cam follower bushings
  17. Oil in push rod socket
  18. Oil flow to camshaft roller pins
  19. Oil supply to overhead
  20. Oil supply to idler gears.

SMALL | MEDIUM | LARGE
Turbocharger, Lubricating Oil Filter, Lubricating Oil Filter and Bypass

  1. Oil flow from oil pump
  2. Thermostat closed, oil flows directly to oil filter
  3. Thermostat open, oil flows to oil cooler
  4. Oil flow through oil cooler
  5. Oil flow to oil filter
  6. Oil flow through oil filter
  7. Filtered oil flow to main oil rifle
  8. Oil supply to turbocharger
  9. Oil drain from turbocharger
  10. Oil flow through filter bypass valve to main oil rifle.

SMALL | MEDIUM | LARGE
Overhead Components

  1. Oil supply from cylinder block
  2. Oil supply to rocker lever shaft
  3. Oil supply to rocker levers
  4. Oil around rocker lever bushing
  5. Oil drain to push tubes
  6. Oil drain to cam follower socket
  7. Oil drain to oil capacitor
  8. Oil capacitor for cylinders one and two
  9. Oil capacitor for cylinders three and four
  10. Oil capacitor for cylinders five and six
  11. Oil overflow to oil pan.

SMALL | MEDIUM | LARGE
Crankshaft, Connecting Rod and Piston

  1. Oil supply from main rifle through crankshaft drilling
  2. Oil flow to connecting rod bearings
  3. Oil flow around connecting rod bearing
  4. Oil flow through connecting rod to piston pin bushing
  5. Oil flow around piston pin bushing.

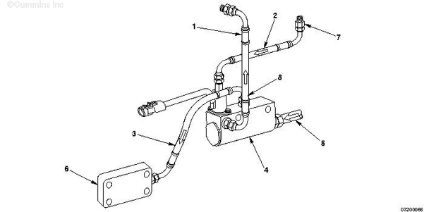
SMALL | MEDIUM | LARGE
Centinel™ (optional)

  1. Oil burn line (used oil to fuel return)
  2. Oil rifle hose (used oil inlet)
  3. Oil replenishment hose (clean oil to pan)
  4. Control valve
  5. OEM fresh oil supply (from makeup tank)
  6. Handhole cover
  7. Rifle check valve
  8. Outlet check valve.

Last Modified:  23-Jan-2009