ISM, ISMe, and QSM11 – 200-003   Flow Diagram, Cooling System

Flow Diagrams

TOC

With CM870 and CM570

SMALL | MEDIUM | LARGE

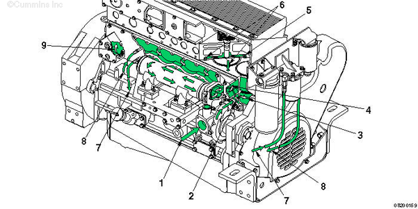
  1. Water pump coolant inlet
  2. Coolant supply to block
  3. Coolant supply to cylinder head
  4. Coolant return to low pressure cavity
  5. Cylinder head coolant vent to water manifold
  6. Coolant return to thermostat housing
  7. Coolant supply to EGR cooler
  8. Coolant supply to EGR valve
  9. EGR valve coolant return to water manifold
  10. EGR cooler coolant return to low pressure cavity
  11. Coolant supply to turbocharger
  12. Turbocharger coolant return to water manifold
  13. Oil cooler
  14. Heater housing
  15. Coolant filter
  16. Coolant return from thermostat housing.

SMALL | MEDIUM | LARGE
Thermostat Open and Closed

  1. Water pump coolant inlet
  2. Coolant to block
  3. Upper manifold cavity (coolant to thermostat)
  4. Coolant outlet (coolant to radiator)
  5. Coolant bypass (return to water pump)
  6. Lower manifold cavity to lubricating oil cooler
  7. Lubricating oil cooler to upper manifold cavity (before thermostat)
  8. Coolant from air compressor
  9. Coolant to air compressor
  10. Coolant supply to EGR cooler
  11. Coolant from EGR cooler to block
  12. Coolant supply to turbocharger
  13. Coolant from turbocharger to water manifold
  14. Coolant supply to EGR valve
  15. Coolant return from EGR valve to water manifold
  16. Coolant return from water manifold to thermostat housing (before thermostat).

Automotive Applications Without EGR

SMALL | MEDIUM | LARGE

  1. Water pump coolant inlet
  2. Coolant to lower manifold cavity
  3. Coolant to cylinder liner block cavity
  4. Coolant to cylinder head
  5. Coolant to upper manifold cavity
  6. Lower manifold coolant to oil cooler
  7. Oil cooler to upper manifold cavity.

SMALL | MEDIUM | LARGE
Thermostat Open and Closed

  1. Water pump coolant inlet
  2. Upper manifold cavity (coolant to thermostat)
  3. Coolant outlet
  4. Lower manifold cavity to oil cooler
  5. Lubricating oil cooler to upper manifold cavity (before thermostat)
  6. Upper manifold cavity (coolant to thermostat)
  7. Coolant bypass (return to water pump)
  8. Lower manifold cavity to oil cooler
  9. Lubricating oil cooler to upper manifold cavity (before thermostat).

Marine Applications

SMALL | MEDIUM | LARGE
Sea Water Flow (Heat Exchanger)

  1. Sea water inlet
  2. Fuel cooler
  3. Sea water pump
  4. Gear oil cooler
  5. Heat exchanger
  6. Aftercooler
  7. Sea water oulet.

SMALL | MEDIUM | LARGE
Sea Water Flow (Heat Exchanger)

  1. Sea water inlet
  2. Fuel cooler
  3. Sea water pump
  4. Sea water pump to aftercooler
  5. Aftercooler
  6. Aftercooler to heat exchanger
  7. Heat exchanger
  8. Expansion tank
  9. Gear oil cooler
  10. Sea water outlet.

SMALL | MEDIUM | LARGE
Coolant Flow, Keel Cooled (one of three)

  1. Engine thermostat cavity (thermostat removed)
  2. Keel cooled thermostat housing
  3. Coolant out to keel cooler
  4. Coolant in from keel cooler
  5. Aftercooler
  6. Water pump
  7. Coolant flow to exhaust manifold
  8. Water cooled exhaust manifold
  9. Water cooled turbine housing.

SMALL | MEDIUM | LARGE
Coolant Flow, Keel Cooled (two of three)

  1. Water pump coolant inlet
  2. Upper manifold cavity
  3. Coolant outlet
  4. Lower manifold cavity to cooler
  5. Cooler to upper manifold cavity (before thermostat)
  6. Coolant bypass hose – plugged
  7. Engine thermostat cavity (thermostat removed)
  8. To exhaust manifold
  9. Turbocharger coolant return to water pump inlet
  10. To keel cooler
  11. From keel cooler
  12. To aftercooler
  13. LTA thermostat
  14. LTA thermostat housing
  15. To turbocharger.

SMALL | MEDIUM | LARGE
Coolant Flow (three of three)

  1. Flow to water pump
  2. Flow to oil cooler and lower manifold cavity
  3. Flow from lower manifold cavity to cylinder liners
  4. Flow from oil cooler to thermostat housing
  5. Flow to cylinder head
  6. Flow from cylinder head to upper manifold cavity
  7. Flow to coolant filter
  8. Flow from coolant filter
  9. Coolant heater – optional
  10. Upper manifold to exhaust manifold.

SMALL | MEDIUM | LARGE
Coolant Flow, Heat Exchanger (one of three)

  1. Coolant flow to water pump
  2. Water pump
  3. Coolant flow to lower manifold cavity
  4. Thermostat housing
  5. Thermostat housing to heat exchanger
  6. Expansion tank
  7. Heat exchanger sea water core
  8. Coolant flow through sea water core
  9. Coolant bypass.

SMALL | MEDIUM | LARGE
Coolant Flow, Heat Exchanger (two of three)

Thermostat Open (1-5)

Thermostat Closed (6-9)

  1. Water pump coolant inlet
  2. Upper manifold cavity
  3. Coolant outlet
  4. Lower manifold cavity to cooler
  5. Cooler to upper manifold cavity (before thermostat).
  6. Upper manifold cavity (coolant to thermostat)
  7. Coolant bypass (return to water pump)
  8. Lower manifold cavity to cooler
  9. Cooler to upper manifold cavity (before thermostat).

SMALL | MEDIUM | LARGE
Coolant Flow, Heat Exchanger (three of three)

  1. Flow from heat exchanger to water pump
  2. Flow to oil cooler and lower manifold cavity
  3. Flow from lower manifold cavity to cylinder liners
  4. Flow from oil cooler to thermostat housing
  5. Flow to cylinder head
  6. Flow from cylinder head to upper manifold cavity
  7. Flow to coolant filter
  8. Flow from coolant filter
  9. Coolant heater – optional.

Industrial and Generator Drive

SMALL | MEDIUM | LARGE

  1. Water pump coolant inlet
  2. Coolant to lower manifold cavity
  3. Coolant to cylinder liner block cavity
  4. Coolant to cylinder head
  5. Coolant to upper manifold cavity
  6. Lower manifold coolant to oil cooler
  7. Oil cooler to upper manifold cavity.

SMALL | MEDIUM | LARGE

Open (1-5)

Closed (6-9)

  1. Water pump coolant inlet
  2. Upper manifold cavity (coolant to thermostat)
  3. Coolant outlet
  4. Lower manifold cavity to cooler
  5. Cooler to upper manifold cavity (before thermostat).
  6. Upper manifold cavity (coolant to thermostat)
  7. Coolant bypass (return to water pump)
  8. Lower manifold cavity to cooler
  9. Cooler to upper manifold cavity (before thermostat).

Last Modified:  23-Jan-2009