The AFR system can display and record certain detectable fault conditions. These issues are displayed as fault codes, which makes troubleshooting easier. The fault codes are retained in the electronic control module (ECM) and are communicated through the display.
All fault codes recorded will either be active (fault code is presently active on the engine) or inactive (fault code was active at one time, but not at the moment). Both active and inactive fault codes can be read using the display.
The ECM processes information it receives from the sensors and controls the opening and closing of the fuel metering valve.
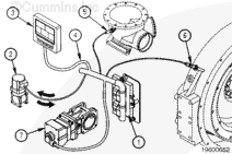
Exhaust gas oxygen (EGO) sensor
Speed sensor.
The EGO sensor provides a voltage signal that correlates to the amount of oxygen in the exhaust gas. This sensor is located in the exhaust outlet connection. The engine speed sensor provides engine speed information and is located on the flywheel housing.
The ECM processes input data and sends output signals to these components:
Fuel metering valve
Display
Throttle.
The fuel metering valve is located in the fuel line between the regulator and carburetor and adjusts pressure to the carburetor. The display is located in the control panel and allows user to read fault codes and adjust settings for the AFR. The throttle is located between the turbocharger and intake manifold and controls the engine RPM.
Hello, I'm Jack, a diesel engine fan and a blogger. I write about how to fix and improve diesel engines, from cars to trucks to generators. I also review the newest models and innovations in the diesel market. If you are interested in learning more about diesel engines, check out my blog and leave your feedback.
View all posts by Jack