Cummins N14 STC, Celect, Celect Plus – Service Manual 001-017   Crankshaft Adapter

Table of Contents

Clean and Inspect for Reuse

Clean and Inspect for Reuse

TOC

Use an emery cloth or a steel wire brush. Clean the inside and the outside diameters of the adapter.

SMALL | MEDIUM | LARGE


 WARNING 

When using solvents, acids, or alkaline materials for cleaning, follow the manufacturer’s recommendations for use. Wear goggles and protective clothing to reduce the possibility of personal injury.
 WARNING 

Wear appropriate eye and face protection when using compressed air. Flying debris and dirt can cause personal injury.

Use solvent to clean the adapter. Dry with compressed air.

 
SMALL | MEDIUM | LARGE
   


Inspect the adapter for cracks or other damage.

 
SMALL | MEDIUM | LARGE
   


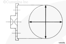
Measure the pilot inside diameter.

Pilot Inside Diameter

mm in
92.10 MIN 3.626
92.17 MAX 3.629
 
SMALL | MEDIUM | LARGE
   


Measure the pilot outside diameter.

Pilot Outside Diameter

mm in
35.013 MIN 1.3785
35.052 MAX 1.3800
 
SMALL | MEDIUM | LARGE
Last Modified:  25-Oct-2011