1. Install the thermostat bypass connector.
2. Install the thermostat bypass hose and clamps.
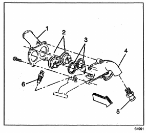
3. Install the thermostat housing and gaskets.
Notice : Refer to Fastener Notice in Cautions and Notices.
4. Install the bolts and stud/nut.
Tighten
Tighten the bolts and the stud/nut to 42 N-m (31 Ib ft).
5. Install the engine coolant temperature (ECT) sensor.
6. Install the fuel bleed valve and nut.
Tighten
Tighten the stud/nut and nut to 41 N-m (31 Ib ft).
7. Install the seals onto the thermostats.
• The seals have a split, inner edge, which install over the flange on the thermostats.
• The seals have a bead on the surface that faces the water outlet.
8. Install the thermostats in the thermostat housing.
9. Install the water outlet.
10. Install the bolts/studs.
Tighten
Tighten the bolts/studs to 47 N-m (35 Ib ft).

