1. Install the turbocharger on the exhaust manifold and the studs.
Notice : Refer to Fastener Notice in Cautions and Notices.
2. Install the nuts to the exhaust manifold.
Tighten
Tighten the exhaust manifold mounting nuts to 58 N-m (43 Ib ft).
3. Install the gasket on the oil return pipe.
4. Install the oil return pipe to the bottom of the turbo charger.
Tighten
Tighten the oil return pipe bolts to 26 N-m (19 Ib ft).
Important: Fill the oil feed hole at the top of the turbo charger with a small a mount of the engine oil while rotating the compress or wheel by hand.
This action will lubricate the turbo charger shaft bearings.
5. Install the oil feed hose at the turbo charger and the block.
Tighten
Tighten the oil feed hose fittings to 28 N-m (21 Ib ft).
6. Install the oil return pipe with the hose and the clamp sat the block.
Important: App y the silicone sealant GMP/N 9985943 or the equivalent to the turbo charger outlet hose before installing on to turbo charger.
7. Install the outlet hose and the clamp on the turbo charger.
Tighten
Tighten the connector hose clamps to 6 N-m (50 Ib in).
8. Install the long and the short turbo charger braces.
Tighten
• Tighten the long turbo charger brace nut to 34 N-m (26 Ib ft).
• Tighten the long turbo charger brace bolt to 50 N-m ( 37 Ib ft).
• Tighten the short turbo charger brace bolts to 25 N-m ( 19 Ib ft ).
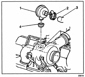
9. Install the grommet (4 ) in the valve rocker arm cover.
10. Install the CDR ( Crankcase Depression Regulator) assembly (1 ) in the valve rocker arm cover.




