Centinel System – Repair Manual – 011-024   EGR Cooler Connection

Preparatory Steps

TOC

 WARNING 

Coolant is toxic. Keep away from children and pets. If not reused, dispose of in accordance with local environmental regulators.
 WARNING 

Do not remove the pressure cap from a hot engine. Wait until the coolant temperature is below 50°C [120°F] before removing the pressure cap. Heated coolant spray or steam can cause personal injury.

Drain the cooling system. Refer to Procedure 008-018.

Remove or loosen the following:

  • Air intake pipe to the turbocharger. Refer to the OEM service manual.
  • Heat shield. Refer to Procedure 011-032.
  • EGR cooler coolant line. Refer to Procedure 011-031.
  • V-band clamp that holds the EGR valve to the exhaust manifold. Rotate the V-band clamp out of the way to access the V-band clamp that holds the EGR cooler connection to the EGR valve. Refer to Procedure 011-022.

SMALL | MEDIUM | LARGE

Remove

TOC

Loosen the V-band clamps on each end of the exhaust gas recirculation (EGR) cooler connection.

Remove the EGR cooler connection and V-bands.

Remove the gaskets and discard.

SMALL | MEDIUM | LARGE
   

Clean and Inspect for Reuse

TOC

 WARNING 

When using solvents, acids, or alkaline materials for cleaning, follow the manufacturer’s recommendations for use. Wear goggles and protective clothing to reduce the possibility of personal injury.
 WARNING 

Wear appropriate eye and face protection when using compressed air. Flying debris and dirt can cause personal injury.

Clean the EGR cooler connection with safety solvent.

Dry with compressed air.

Inspect the EGR cooler connection for cracks or other damage.

SMALL | MEDIUM | LARGE
   


Clean the EGR cooler mounting flange with safety solvent.

Dry with compressed air.

Inspect the EGR cooler mounting flange for cracks or damage. Replace the EGR cooler, if cracks or other damage is found.

SMALL | MEDIUM | LARGE
   


Clean the EGR valve with safety solvent.

Dry with compressed air.

Inspect the EGR valve where the EGR cooler connection interfaces for cracks or damage. Replace the EGR valve if necessary.

SMALL | MEDIUM | LARGE
   


Inspect the hose clamps for damage. Replace if damage is found.

SMALL | MEDIUM | LARGE
   


Inspect the V-band clamps for signs of overextension. The band must not be bent or cracked.

Inspect the V-band clamp threads for damage.

Replace the V-band clamp if damage is found.

 
SMALL | MEDIUM | LARGE
   

Install

TOC

Before installing the V-band clamp, coat the clamping surface with high temperature anti-seize compound.

SMALL | MEDIUM | LARGE
   


The EGR cooler connection has a male and female end. The male end of the connection goes to the cooler, the female end goes to the EGR valve.

Install new gaskets on the pilot end of the EGR cooler connection and the EGR valve.

Install V-band clamps loosely on the EGR cooler connection.

SMALL | MEDIUM | LARGE
   


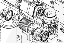
Install the EGR cooler connection.

Position V-band clamps that hold the EGR cooler connection between the EGR cooler and the EGR valve, as shown. Tighten the V-band clamps.

Rotate the exhaust manifold V-band clamp into position, as shown and tighten the V-band clamps.

Torque Value:  17  n.m  [150 in-lb]

SMALL | MEDIUM | LARGE
   

Finishing Steps

TOC

Install or connect the following:

  • EGR cooler coolant line. Refer to Procedure 011-031.
  • Heat Shield. Refer to Procedure 011-032.
  • Air intake pipe to the turbocharger. Refer to the OEM service manual.

Fill the engine cooling system. Refer to Procedure 008-018.

Start engine and verify proper operation.

SMALL | MEDIUM | LARGE
Last Modified:  11-Dec-2003